|
|
Bauteile der Kanalfachschale |
|
Kanalbauteile
|
|
Zugehöriges Symbol |
Navigation der Inspektionsdaten (Skizze). Die Verknüpfungen führen zu den Details weiter.
|
|
|
Verwaltung der Rohre und Schachtteile. |
||||||
|
|
Bibliotheken (Katalogdaten) der Rohre und Schachtteile als Grundlage für die automatische Generierung. |
Im Rahmen der Ausführungsplanung, Ausschreibung, Vergabe und Abrechnung sind die Leitungen und Knoten des Kanalnetzes in Bauteile zu detaillieren. Um diese Aufgabe zu ermöglichen, werden die Daten der Herstellerkataloge in Form von Rohr- und Schachtteilbibliotheken verwaltet. Über benutzerdefinierte Optionen können daraus die Bauteile der Schächte und - in einem zweiten Schritt - die Rohre der Leitungen automatisch generiert werden.
Über die Schachtteil- und Rohrgenerierung werden den in BaSYS geplanten Schächten und Haltungen die zur Bauausführung erforderlichen Schachtteile und Rohrstücke aus den Katalogen der gewählten Hersteller zugeordnet. Die Kataloge können in den zugehörigen Bibliotheken eingegeben werden. Beispielkataloge für Schachtteile und Rohre sind vorhanden und können vom Anwender nach Einlesen über ein SQL-Skript genutzt werden.
Die Schachtteile und Rohrstücke können über entsprechende Berichte bestellt und für den Einbau vorbereitet werden.
In der Hilfe werden folgende Abschnitte beschrieben:
Grundfunktionalität
Die Grundfunktionalität von BaSYS Arena wird in einer separaten Hilfe ausführlich behandelt. Dazu gehören unter anderem folgende Abschnitte:
-
Bereich Aktionen und Info
Da die Grundfunktionalität in alle BaSYS -Module einheitlich integriert ist, führen von der jeweiligen Verknüpfung keine direkten Wege zu diesem Abschnitt der Hilfe zurück. Dies ist aber relativ schnell über das Inhaltsverzeichnis im linken Bereich dieser Hilfedatei möglich.
So geht's
|
|
Zugehöriges Symbol |
In diesem Abschnitt der Hilfe werden die Arbeitsschritte häufig einzusetzender Arbeitsweisen in groben Zügen beschrieben. Dazu gehören folgende Aufgaben:
|
3. |
|
Ausgabe der Grafiken, Berichte, Bestellblätter |
Vorbereitung der Kataloge und Stammdaten
|
|
|
Zugehörige Symbole |
Vor Generierung der Kanalbauteile müssen folgende Vorbereitungen getroffen werden:
-
Die Kataloge müssen vor Generierung der Rohre und Schachtteile vollständig und fehlerfrei erstellt sein. Für die Erstellung der Kataloge stehen ausführliche Musterdaten zur Verfügung.
-
Die Kataloge der Bibliotheken können alternativ nach eigenen Vorgaben angelegt oder ergänzt werden.
-
Alle relevanten Stammdaten müssen erfasst sein. Die Details befinden sich im Abschnitt Theoretische Grundlagen.
-
Zum einwandfreien Aufruf der Berichte müssen die weiter unten genannten Applikationen installiert sein.
Die Musterdaten können über das Skript Kanalbauteile.sql generiert werden, das sich auf folgendem BaSYS-Verzeichnis befindet:
-
{BaSYS}\config\DatabaseFiles\Data\
So geht's:
-
Das Skript bei Bedarf auf einen anderen Pfad kopieren.
-
Im System Manager die relevante Datenbank und Gemeindevariante auf aktuell setzen.
-
Dort das Skript über die Werkzeugleiste oder das Kontextmenü wählen und ausführen (siehe zugehörige Hilfe). Das Skript generiert die Vorlagen einschließlich ihrer gegenseitigen Verknüpfungen.
-
Danach können die Vorlagen in BaSYS Regie Administrator weiter bearbeitet werden.
Nach Ausführung des Skripts sind die Bibliotheken mit folgenden Katalog-Musterdaten gefüllt:
-
Rohre und Schachtteile der Firma Beton Röser in 74423 Obersontheim. Produktion hauptsächlich gemäß DIN EN 1916 und DIN EN 1917.
-
Schachtteile und Schachtdeckel gemäß Fachvereinigung Betonrohre und Stahlbetonrohre e.V. (FBS) in 53179 Bonn, dem Herausgeber des FBS-Qualitätszeichens. Die Anforderungen fußen ebenfalls hauptsächlich auf DIN EN 1916 und DIN EN 1917.
-
Schachtdeckel der Firma Bilfinger, vormals Passavant, in 65326 Aarbergen.
Wichtiger Hinweis: Das Skript ist vor folgenden Arbeitsschritten auszuführen:
-
Manuelle Überarbeitung oder Ergänzung der Rohr- und Schachtteilkataloge, also der Bibliotheksdaten.
-
Generierung von Schachtteilen und / oder Rohren.
Die Kataloge der Bibliotheken können nach eigenen Vorgaben beliebig erstellt oder erweitert werden. Dabei sollten folgende Empfehlungen beachtet werden:
-
Die Benennung der Rohre sollte anhand der Konventionen für die Musterdaten erfolgen.
-
Für die Benennung der Schachtteile sollten ebenfalls die Konventionen der Musterdaten herangezogen werden.
-
Die Skizzen zur den relevanten Bauteilparametern befinden sich im Abschnitt Theoretische Grundlagen.
Folgende Applikationen müssen mindestens installiert sein, damit die Berichte einwandfrei aufgerufen werden können:
-
Adobe Reader (ab Version 6.0)
-
Microsoft .NET Framework (ab Version 1.1)
-
Sun Java (ab Version 1.4)
Die aktuellen Versionen befinden sich auf der BaSYS-Installations-CD.
Generierung der Kanalbauteile
|
|
|
Zugehörige Symbole |
Da die Rohre in die Schachtunterteile einbinden müssen, sollte die Generierung der Kanalbauteile in folgender Reihenfolge durchgeführt werden:
Die Generierung wird über die Menü- oder Werkzeugleiste gestartet.
Menü Extras
Das Menü befindet sich in der Menüleiste der Benutzeroberfläche. Folgende Menüpunkte können für die Generierung genutzt werden:
|
|
|
|
(siehe unten) |
|
|
|
|
|
(siehe unten) |
Per Klick auf den gewünschten Menüpunkt öffnet sich ein Untermenü. Die Kanalbauteile können über den jeweils obersten Menüeintrag erzeugt werden:
|
|
|
|
Start der Rohrgenerierung. |
|
|
|
|
Bericht der erzeugten Rohre. |
|
|
|
Start der Schachtteilgenerierung. |
|
|
|
|
Beginn der Grafiken, Berichte, Bestellblätter. |
Werkzeugleiste
Die Schaltflächen für die Kanalbauteilgenerierung befinden sich in der Werkzeugleiste der Benutzeroberfläche rechts neben den Standardsymbolen:
Der zugehörige Abschnitt der Hilfe wird an dieser Stelle ebenfalls per Klick auf die gewünschte Schaltfläche aufgerufen.
Rohre generieren
|
|
Zugehöriges Symbol |
So geht's:
|
1. |
Die Daten müssen gemäß Vorbereitung der Kataloge und Stammdaten bereitstehen. |
|
2. |
|
Navigation in den Knoten Rohre und Öffnen des Haltungsformulars. |
|
|
● |
Bei Bedarf kann auf in der tabellarischen Ansicht auf Objekte gefiltert werden. |
|
|
● |
Wahl eines Datensatzes. |
|
3. |
|
Start der Generierung aus der Menü- oder Werkzeugleiste. |
|
|
|
Dadurch wird ein Formular zum Setzen der Optionen geöffnet. |
|
4. |
|
Wahl des Herstellers. |
|
5. |
Setzen einer Option für die Baulängen-Optimierung: |
|
|
|
Annäherung mit Standard-Rohrstücken: Neben den beiden Gelenkstücken wird nur auf Standardrohre (Typ "R") des gewählten Herstellers zurückgegriffen. |
|
|
|
Passtücke generieren: Für jede Haltung, deren geplante Länge durch Standardrohre nicht erreicht werden kann, werden Passtücke (Typ "P") mit einer Mindestlänge von 0,50 m erzeugt. |
|
|
|
Gelenkstücke nutzen: Anstelle von Passtücken werden weitere Gelenkstücke (Typ "G") m-s verwandt, sobald damit die Baulänge besser an die Haltungslänge angepasst werden kann. |
|
|
● |
Die Gelenkstücke (Typ "G") m-s und s-s werden immer generiert. |
|
6. |
Start der Generierung über die Taste Weiter. |
Zum Algorithmus und Abbruch der Generierung wird auf den Abschnitt Theoretische Grundlagen verwiesen.
Schachtteile generieren
|
|
Zugehöriges Symbol |
So geht's:
|
1. |
Die Daten müssen gemäß Vorbereitung der Kataloge und Stammdaten bereitstehen. |
|
2. |
|
Navigation in den Knoten Schachtteile und Öffnen des Schachtformulars: |
|
|
● |
Bei Bedarf kann auf in der tabellarischen Ansicht auf Objekte gefiltert werden. |
|
|
● |
Wahl eines Datensatzes. |
|
3. |
|
Start der Generierung aus der Menü- oder Werkzeugleiste: |
|
|
|
Dadurch wird ein Formular zum Setzen der Optionen geöffnet. |
|
4. |
|
Wahl des Herstellers: |
|
|
● |
Tipp: Über den Hersteller im Feld Generell werden die weiteren Felder automatisch mit dem gewählten Eintrag vorbelegt. |
|
|
● |
Der Hersteller der Abdeckung ist immer zusätzlich zu wählen. |
|
5. |
Optionale Vorgaben von Zwangsbedingungen (Gruppe Schachtbauteile): |
|
|
● |
Falls keine Zwangsbedingungen vorliegen, sollten alle Felder dieser Gruppe leer bleiben: |
|
|
|
|
Schachtunterteil gemäß Katalog. |
|
|
|
|
Übergangsplatte gemäß Katalog. |
|
|
|
|
Schachtabdeckung gemäß Katalog. |
|
|
|
|
Soll-Nennweite der Schachtringe gemäß fest integrierter Auswahlliste. |
|
|
● |
Nach Möglichkeit sollte eine automatische Generierung der Schachtteile ohne Zwangsbedingungen gewählt werden. Diese Arbeitsweise führt erfahrungsgemäß zu optimalen Ergebnissen und lässt sich erheblich schneller durchführen. |
|
|
● |
Bei unumgänglicher Zwangsbedingung sollte alternativ eine Übergangsplatte oder die Sollnennweite der Schachtringe gewählt werden. |
|
6. |
Start der Generierung über die Taste Weiter. |
Zum Algorithmus und Abbruch der Generierung wird auf den Abschnitt Theoretische Grundlagen verwiesen.
Schachtteile für ausgesuchte Schächte
Zur Optimierung des Schachtaufbaus kann die Schachtteilgenerierung für gewählte Schächte beliebig oft wiederholt werden. Die gewünschten Schächte werden über die Filterfunktion der tabellarischen Ansicht gewählt.
Löschen von Schachtteilen
Ein Schachtteil kann mittels Taste Entf aus der Liste und damit aus der Datenbank entfernt werden. Hinweis: Das Löschen ist die Grundvoraussetzung für das erneute Einfügen von Schachtteilen.
Einfügen von Schachtteilen
Nach Wahl der Hersteller-Bibliothek öffnet sich eine Baumansicht, in der die Schachtteile nach ihrem Typ geordnet sind. Das gewünschte Schachtteil kann per Drag & Drop in die Schachtteilliste eingefügt werden. Da die Dimensionen automatisch geprüft werden, wird bei einer Fehlwahl automatisch das optimal mit der Wahl übereinstimmende Schachtteil in die Liste eingefügt. Hinweis: Die ergänzten Schachtteile werden erst nach dem Schließen und erneuten Öffnen des Grundrisses sichtbar.
Grafiken, Berichte, Bestellblätter
|
|
Zugehöriges Symbol |
Über die Grafiken, Berichte und Bestellblätter können die Kanalbauteile beispielsweise je Haltung kontrolliert und / oder bestellt werden. Die Bestellblätter stehen ausschließlich für Schachtteile zur Verfügung. Alle zugehörigen Aufgaben sind über das Menü Extras aufrufbar.
Rohre
|
|
|
|
Siehe weiter oben. |
|
|
|
|
Bericht der Rohre gegliedert nach Haltungen. |
Schachtteile
|
|
|
|
Siehe weiter oben. |
||
|
|
|
Aufriss und Grundriss der für einen Schacht angelegten Schachtteile. |
|||
|
|
|
Bericht der Schachtteile gegliedert nach Schächten. |
|||
|
|
|
|
Bestellblatt mit detailliertem Grund- und Aufriss für das gewählte oder alle Schachtunterteile. |
Vor dem Aufruf der Grafiken, Berichte und Bestellblätter müssen die relevanten Rohre und Schachtteile generiert sein.
Rohre
|
|
Zugehöriges Symbol |
Rohrbericht anzeigen
Für den Rohrbericht stehen folgende Dokumente und Abfragen zur Verfügung:
-
Haltung mit angrenzenden Schächten
-
Bestellblatt Rohre gesamt (Abfrage)
-
Bestellblatt Rohre haltungsweise (Abfrage)
Haltung mit angrenzenden Schächten
In diesem Bericht werden die Bauteile der Haltung und der angrenzenden Schächte dargestellt. Im Berichtskopf sind die relevanten Schächte und Haltungen optisch hervorgehoben.
So geht's:
|
1. |
|
Navigation in den Knoten Rohre und Öffnen des Haltungsformulars. |
|
|
● |
Bei Bedarf kann auf in der tabellarischen Ansicht auf Objekte gefiltert werden. |
|
|
● |
Wahl eines Datensatzes. |
|
2. |
Aufruf des Rohrberichts über das Menü Extras. |
|
3. |
Der Bericht wird automatisch als PDF-Dokument geöffnet. |
Bestellblatt Rohre gesamt
Bestellblatt Rohre haltungsweise
Diese Berichte werden aus dem Configuration Explorer aufgerufen und umfassen folgende Daten:
-
Anzahl der Rohre je Typ und Dimension.
-
Einzel- und Gesamtmassen.
-
Einheitspreise und Gesamtbeträge.
So geht's:
|
1. |
|
Öffnen des Configuration Explorers. |
|
2. |
|
Wahl der Gruppe Benutzerdefinierte Abfragen (SQL). |
|
3. |
Die gesuchten Abfragen für die Kanalbauteile befinden sich auf folgendem Pfad: Query Dokumente / Abwasser / Bauteilbibliothek. |
|
4. |
|
Ausführen der gewünschten Abfrage über das Kontextmenü oder die Werkzeugleiste. |
|
5. |
|
Über diese Schaltfläche kann das Bestellblatt als Excel-Datei gespeichert und beliebig weiter bearbeitet werden. |
Schachtteile
|
|
Zugehöriges Symbol |
Die Grafiken, Berichte und Bestellblätter zu den Schachtteilen werden über folgende Arbeitsschritte aufgerufen:
|
1. |
|
Navigation in den Knoten Schachtteile und Öffnen des Schachtformulars. |
|
|
● |
Bei Bedarf kann auf in der tabellarischen Ansicht auf Objekte gefiltert werden. |
|
|
● |
Wahl eines Datensatzes. |
|
2. |
Aufruf von Grafik, Bericht oder Bestellblatt über das Menü Extras. |
|
3. |
Das Dokument wird automatisch im PDF-Format geöffnet. |
Schachtaufriss anzeigen
Im Schachtaufriss können die Ergebnisse der Schachtteilgenerierung geprüft werden. Per Doppelklick auf ein Schachtteil in der Liste wird das jeweilige Schachtteil im Aufriss farblich hervorgehoben.
Schachtgrundriss anzeigen
Im Schachtgrundriss können die Ergebnisse der Schachtteilgenerierung geprüft werden.
Schachtbericht anzeigen
Im Bericht werden die Bauteile von Schacht, Ablaufhaltung und Folgeschacht dargestellt. Im Berichtskopf sind die relevanten Schächte optisch hervorgehoben. Der Schachtbericht umfasst folgende Daten:
-
Anzahl der Schachtteile je Typ und Dimension.
-
Einzel- und Gesamtmassen.
-
Einheitspreise und Gesamtbeträge.
Bestellblatt anzeigen (Schachtunterteil)
Im Bestellblatt werden dem Hersteller die relevanten Daten zum jeweiligen Schachtunterteil übermittelt, da die Schachtunterteile individuell je Schacht produziert werden:
-
Prinzipeller Schachtaufriss.
-
Prinzipeller Schachtgrundriss mit Legende zu den Winkelangaben in Grad und Gon.
-
Tabelle der Anschlussrohre, Anschlusswinkel und weiteren Eigenschaften des Schachtunterteils.
Die Bestellblätter können alternativ für das Schachtunterteil des gewählten oder für die Schachtunterteile aller Schächte ausgegeben werden.
Theoretische Grundlagen
|
|
Zugehöriges Symbol |
Die Kanalbauteile können automatisch über die Katalogdaten der Bibliotheken generiert werden. Dabei werden die in diesem Abschnitt erläuterten Konventionen genutzt. In diesem Abschnitt geht es um folgende Themen:
Die Definition der Bauteilparameter kann den Skizzen und Tabellen dieses Abschnitts entnommen werden. Per Klick auf den gewünschten Bereich führen Verknüpfungen zu den zugehörigen Abschnitten der Hilfe weiter.
Bauteilskizze
Von der Bauteilskizze führen Verknüpfungen zu den weiter unten schematisch dargestellten Kanalbauteilen. Die Ziffern in Klammern entsprechen den Schachtteiltypen.
|
|
|
(7) Schachtdeckel (3) Auflageringe (5) Konus (6) Ausgleichsring (4) Schachtring mit Versatz (im Unterteil) (1) Übergangsplatte oder Übergangsring (2) Unterteil mit Versatz (Schachtring) (--) Rohr mit Versatz (1) Bodenplatte |
|
|
Schachtdeckel (Typ 7)
Zurück zu Skizze oder Formular. Auflagering (Typ 3)
Zurück zu Skizze oder Formular. Konus (Typ 5)
Zurück zu Skizze oder Formular. Schacht-, Ausgleichsring (Typ 4, 6)
|
Übergang (Typ 1): Platte, Konus
Der Konus wird Übergangsring genannt. Zurück zu Skizze oder Formular. Schachtunterteil (Typ 2) |
|
|
Versatz Anschlussleitungen |
Versatz Unterteil |
Die in der Bibliothek angelegten Musterrohre sind nach einem Schema benannt, das in der Tabelle anhand einer beispielhaften Rohrbezeichnung erläutert wird:
|
Kürzel |
Inhalt |
Werte |
Erläuterung |
Art der Festlegung |
|
K-GM |
Fertigungstyp |
- |
Kanalrohr mit Glockenmuffe |
Nur über das Kürzel der Benennung. |
|
G |
Rohrtyp |
R G P |
Rohr Gelenkrohr Passrohr |
Über die Auswahlliste Typ. |
|
m-s |
Rohrenden |
m s g |
Muffe Spitze Glattes Ende |
Automatisch über die Felder der Gruppe D außen. |
|
BL |
Dichtung |
BL Gg Gr |
Typ BL der Firma "Beton Röser" Gummi-Gleitring Gummi-Rollring |
Nur über das Kürzel der Benennung. Ergänzend über die Auswahlliste Rohrverbindung. |
|
DN 250 |
Nennweite in mm |
- |
Wichtiges Katalogisierungsmaß |
Eingabe von Höhe (DN). |
|
L 1000 |
Rohrlänge in mm |
- |
Passstücke sind immer mit L 500 bezeichnet. Die Solllänge wird bei der Rohrgenerierung berechnet. |
Eingabe der Länge. |
Die Kanalbauteilgenerierung kann nur dann durchgeführt werden, wenn die Kataloge und Stammdaten vollständig vorhanden sind. In diesem Abschnitt wird nur auf die erforderlichen Stammdaten eingegangen. Die weiteren Voraussetzungen werden im Abschnitt So geht's dargelegt.
In der folgenden Liste werden alle für die Generierung erforderlichen Stammdaten gezeigt:
|
|
Schachtteilgenerierung |
|
Rohrgenerierung |
|
|
1. Korrekter Schachtteilkatalog 2. Bauwerksrandpunkte 3. Grunddaten der Schächte:
|
4. Rohranschlusspunkte der Anschlüsse 5. Grunddaten der Anschlussleitungen:
|
1. Korrekter Rohrkatalog 2. Grunddaten der Haltungen:
3. Rohranschlusspunkte der Anschlüsse |
Die in der Schachtteilbibliothek aufgeführten Schachtteile werden auf die gewählten Hersteller gefiltert und in einer internen Auswahlliste gespeichert.
Automatische Zusammenstellung und Zuordnung
Die Schachtteile werden über die folgende Arbeitsweise automatisch zusammengestellt und dem jeweiligen Schacht per ID zugeordnet:
|
1. |
Anhand der vorhandenen Anschlussleitungen wird das Schachtunterteil mit der kleinstmögliche Dimension ermittelt. |
|
2. |
Gemäß der Maße des Schachtunterteils wird die passende Bodenplatte ermittelt. |
|
3. |
Der Algorithmus prüft, ob für die Schachttiefe abzüglich der Höhe der Bodenplatte folgender Mindest-Schachtaufbau möglich ist: |
|
|
|
Schachtunterteil |
|
|
+ |
Übergangsplatte (oder Übergangsring). Nur bei unterschiedlichem Querschnitt von Schachtunterteil und Konus erforderlich |
|
|
+ |
Konus (oder Abdeckplatte) |
|
|
+ |
Ausgleichsringe |
|
|
+ |
Schachtdeckel |
|
4. |
Bei unterschiedlichem Querschnitt von Schachtunterteil und Schacht wird eine Übergangsplatte (ein Übergangsring) eingefügt. |
|
5. |
Bei ausreichender Schachttiefe werden Schachtringe eingefügt. |
|
6. |
Gemäß vorgegebenem Schachtdeckel wird der Konus und eine minimal mögliche Zahl an Ausgleichsringen eingefügt. |
Abbruch der Generierung
Bei folgenden Ereignissen die Generierung abgebrochen, wobei dem betroffenen Schacht keine Schachtteile zugeordnet werden:
-
Für einen der genannten Schritte kann kein passendes Schachtteil ermittelt werden
-
Das vom Anwender vorgegebene Schachtteil kann nicht verwendet werden
-
Fehlende Attribute
Die Abbruchursache wird im Protokoll der Schachtteilgenerierung angezeigt.
Die in der Rohrbibliothek aufgeführten Rohre werden auf den gewählten Hersteller gefiltert und in einer internen Auswahlliste gespeichert.
Automatische Zusammenstellung und Zuordnung
Die Rohre werden über die folgende Arbeitsweise automatisch zusammengestellt und der jeweiligen Haltung per ID zugeordnet:
|
1. |
Die Gelenkstücke m-s und s-s werden immer generiert. Zur Identifizierung der Rohre im Katalog wird folgende Logik genutzt: |
|
|
● |
m-s (Muffe - Spitzende): |
d2 (Muffe) > d10 (Spitzende) |
|
|
● |
s-s (Spitzende - Spitzende): |
d2 (Muffe) = d10 (Spitzende) |
|
|
Daher müssen die zugehörigen Felder der Rohrbibliothek mit Werten belegt sein. |
|
2. |
Für das Rohr mit maximaler Baulänge wird der folgende Wert berechnet: |
|
|
● |
Stückzahl, mit der die Gesamtbaulänge den erforderlichen Wert minimal unterschreitet. |
|
3. |
Nacheinander wird für jedes Rohr mit der nächst kleineren Baulänge der folgende Wert berechnet: |
|
|
● |
Stückzahl, mit der die Gesamtbaulänge den erforderlichen Wert minimal unterschreitet. |
|
4. |
Für das Rohr mit minimaler Baulänge werden folgende Werte berechnet: |
|
|
● |
Stückzahl mit minimaler Unterschreitung der Gesamtbaulänge. |
|
|
● |
Stückzahl mit minimaler Überschreitung der Gesamtbaulänge. |
|
5. |
Das Berechnungsergebnis hängt von der gesetzten Option ab: |
|
|
1. |
|
Annäherung mit Standardrohren |
Stückzahl gemäß (4.) mit minimaler Abweichung der Gesamtbaulänge vom erforderlichen Wert. |
|
|
2. |
|
Passtücke generieren |
Die erforderliche Länge wird immer genau erreicht. |
|
|
3. |
|
Gelenkstücke nutzen |
Optimierung der Länge gemäß (4.) durch die Verwendung zusätzlicher Gelenkstücke s-s. |
Die Rohrgenerierung berücksichtigt die Fugenbreite zwischen den Rohren sowie zwischen Gelenkrohr und Schachtmuffe bei der Berechnung der Gesamtbaulänge.
Abbruch der Generierung
Die Generierung wird im Allgemeinen nur bei folgenden Ereignissen abgebrochen:
-
Fehlende Attribute
-
Keine Einträge im Katalog des gewählten Herstellers
Der jeweiligen Haltung werden dann keine Rohre zugeordnet. Die Ursache wird im Protokoll der Rohrgenerierung angezeigt.
Benutzeroberfläche
|
|
Zugehöriges Symbol |
In diesem Abschnitt der Hilfe wird die Benutzeroberfläche der Kanalbauteile beschrieben.
Die Datensätze der Kanalbauteile werden automatisch aus der Rohr- oder Schachtteilgenerierung übernommen. Das manuelle Anlegen von Rohren oder Schachtteilen bildet eher die Ausnahme. Bei manuellen Nachbesserungen ist auf die Eindeutigkeit der Rohr- und Schachtteilbezeichnungen zu achten.
Rohre
|
|
|
Zugehörige Symbole |
Die Rohr-Formulare sind mit Ausnahme des Formularkopfes identisch aufgebaut:
|
● |
|
Kanalrohr. Formular eines der Haltung zugeordneten Rohres. |
|
● |
|
Rohrbibliothek. Verwaltung der Katalogdaten. Referenzierung in die generierten Rohre. |
Bei Navigation zum Knoten Rohre öffnet sich das Formular Haltung. Dort werden die wichtigsten Stammdaten verwaltet, um beispielsweise nach Eigenschaften gruppieren oder filtern zu können. Die generierten Rohre sind zugeordnet und werden daher in der hierarchischen Ansicht angezeigt:
|
|
Hierarchische Ansicht |
|
|||
|
|
Haltung |
|
|||
|
Liste aller direkt an die Haltung angeschlossenen Leitungen. |
||||
|
Liste der zugeordneten generierten Rohre. |
Das Formular Rohrbibliothek wird direkt aus dem Navigationsknoten Rohrbibliotheken geöffnet.
Mit dem nächsten Abschnitt der Hilfe beginnt eine großenteils tabellarische Übersicht der verwendeten Felder. Dabei gelten für die rechts liegenden Spalten der jeweiligen Tabelle folgende Konventionen:
|
● |
|
|
Symbole im Spaltenkopf. |
|
● |
● |
● |
Zeilen des Formulars erhalten blaue, die des Bibliotheksformulars violette Marker. |
Die Felder sind nach folgenden Register-Reitern geordnet:
-
Formularkopf. Dieser ist unabhängig vom Reiter immer sichtbar.
-
Grunddaten mit den charakteristischen Daten des jeweiligen Kanalobjekts.
-
Bemaßung mit den Katalog-relevanten Maßen.
Der Formularkopf ist für folgende Reiter der Registerleiste ständig sichtbar:
Im Formularkopf werden die wichtigsten Kenndaten der Rohre verwaltet:
|
|
Feld |
|
Einheit |
Details |
|
|
|
|
Bezeichnung |
- |
- |
Die Bezeichnung ist eindeutig zu vergeben. Identische Rohre unterschiedlicher Hersteller können beispielsweise durch Präfixe eindeutig benannt werden. |
● |
● |
|
|
Hersteller |
|
- |
Wahl des Herstellers aus der Firmenliste, die in der Gruppe Allgemeines (siehe zugehörige Hilfe) verwaltet wird. |
● |
● |
|
|
Position |
- |
- |
Position des Rohrs in der übergeordneten Haltung. |
● |
|
|
|
Anzahl |
- |
- |
Gesamtzahl der Rohre bezogen auf die übergeordnete Haltung. |
● |
|
|
|
Rohrbibliothek |
|
- |
Bezeichnung des Rohrs laut Bibliothek. Nach Wahl per Schaltfläche oder automatischer Rohrgenerierung stimmt dieser Eintrag mit dem von Bezeichnung überein. |
● |
|
Reiter der Formulare zur Verwaltung der Rohre.
|
|
Bemaßung |
|
Gruppen des Reiters:
Felder der Gruppe:
|
|
Feld |
|
Einheit |
Details |
|
|
Typ |
|
- |
Der Rohrtyp wird über den Eintrag der Auswahlliste definiert. Siehe auch Benennung der Musterrohre. |
|
|
Rohrverbindung |
|
- |
Wahl der Rohrverbindung per Auswahlliste. Siehe auch Benennung der Musterrohre. |
|
|
Material |
|
- |
Über das Feld wird der Baustoff des Rohrs erfasst. Auswahlliste. |
|
|
Profilart nach ISYBAU |
|
- |
Über das Feld wird die Profilart erfasst. Auswahlliste. |
Die Werte von Typ und Rohrverbindung sind in die Benennung der Musterrohre integriert.
Felder der Gruppe:
|
|
Feld |
|
Einheit |
Details |
|
|
Einheitspreis |
- |
€ |
Der Einheitspreis je Rohr wird in den Berichten berücksichtigt. |
|
|
Gewicht |
- |
kg |
Die Masse je Rohr ist eine wichtige Transport- und Einbauinformation. |
|
|
Fuge |
- |
mm |
Die meisten Rohre können nicht so verlegt werden, dass sie direkt aneinander stoßen. Daher sind zwischen den Rohren Fugen vorzusehen. Der eingegebene Wert wird bei der automatischen Rohrgenerierung berücksichtigt. |
|
|
Rauigkeit |
- |
mm |
Rauigkeit als Zusatzinformation für hydraulische Berechnungen. |
|
|
Nenndruck |
- |
bar |
Nenndruck als Zusatzinformation für Druck- und Vakuumleitungen. |
Felder der Gruppe:
|
|
Feld |
|
Einheit |
Details |
|
|
Rohr |
- |
m³ |
Gesamte Bodenverdrängung des verlegten Rohrs einschließlich Außendurchmesser der Muffe. |
|
|
Teil-Mantel |
- |
m³ |
Gesamte Bodenverdrängung eines teilweise mit Beton ummantelten verlegten Rohrs. |
|
|
Voll-Mantel |
- |
m³ |
Gesamte Bodenverdrängung eines mit Beton ummantelten verlegten Rohrs. |
Felder der Gruppe:
|
|
Feld |
|
Einheit |
Details |
|
|
Nennsteifigkeit |
- |
N/mm² |
Durch die statische Berechnung ermittelte Biegesteifigkeit des Rohrprofils. |
|
|
Verkehrslast |
|
- |
Art der für die statische Berechnung angesetzten Verkehrslast. Auswahlliste. |
|
|
Tragfähigkeit |
- |
kN/m |
Maximal erlaubte Linienbelastung des Rohrs als Summe der statisch angesetzten Lasten. |
Reiter der Formulare zur Verwaltung der Rohre.
|
|
Bemaßung |
|
Gruppen des Reiters:
Felder der Gruppe:
|
|
Skizze |
Feld |
|
Einheit |
Details |
|
|
- |
Höhe (DN) |
- |
mm |
Nennhöhe des Rohrs. |
|
|
- |
Breite |
- |
mm |
Von der Nennhöhe abweichende Nennweite eines Rohrs. Optionalwert. |
|
|
L |
Länge |
- |
mm |
Baulänge des Rohrs. Gesamtlänge - Muffentiefe t gemäß Skizze. |
Die Werte von Höhe (DN) und Länge sind in die Benennung der Musterrohre integriert.
Felder der Gruppe:
|
|
Skizze |
Feld |
|
Einheit |
Details |
|
|
d2 |
Muffe |
- |
mm |
Außendurchmesser der Rohrmuffe. |
|
|
d3 |
Rohr |
- |
mm |
Außendurchmesser des Rohrs im Bereich zwischen Muffe und Spitzende. |
|
|
d10 |
Spitzende |
- |
mm |
Außendurchmesser des Spitzendes. |
Der Status der Rohrenden wie Muffe – Spitzende oder Spitzende – Spitzende wird über die Außendurchmesser D außen festgelegt. Beispielsweise besitzt ein Rohr mit den Maßen Muffe = Spitzende = 1251,0 mm den Status Spitzende – Spitzende. Wichtiger Hinweis: Da die Rohre über diese Logik generiert werden, müssen die Felder der Gruppe D außen mit plausiblen Werten belegt sein.
Der Status der Rohrenden ist in die Benennung der Musterrohre integriert.
Felder der Gruppe:
|
|
Skizze |
Feld |
|
Einheit |
Details |
|
|
s |
Wanddicke |
- |
mm |
Stärke der Rohrwandung. Ausgangsparameter für die grafische Darstellung der Rohraußenmaße. |
|
|
d1 |
Durchmesser |
- |
mm |
Innendurchmesser des Rohrs. |
Schachtteile
|
|
|
Zugehörige Symbole |
Die Schachtteil-Formulare sind mit Ausnahme des Formularkopfes identisch aufgebaut:
|
● |
|
Schachtteil. Formular eines der Haltung zugeordneten Rohres. |
|
● |
|
Schachtteilbibliothek. Verwaltung der Katalogdaten. Referenzierung in die generierten Schachtteile. |
Bei Navigation zum Knoten Schachtteile öffnet sich das Formular Schacht. Dort werden die wichtigsten Stammdaten verwaltet, um beispielsweise nach Eigenschaften gruppieren oder filtern zu können. Die generierten Schachtteile sind zugeordnet und werden daher in der hierarchischen Ansicht angezeigt. Die Anschlüsse sind in der hierarchischen Ansicht zum Schacht und zum zugeordneten Schachtunterteil zu sehen. In der Schachtteilbibliothek ist die Zuordnung optional:
|
|
Hierarchische Ansicht |
|
||||||
|
|
Schacht (Abwasser) |
|
||||||
|
Liste aller an den Schacht angeschlossenen Leitungen. |
|||||||
|
Liste der zugeordneten generierten Schachtteile. |
|||||||
|
Liste der dem Schachtunterteil zugeordneten Anschlüsse. |
Das Formular Schachtteilbibliothek wird direkt aus dem Navigationsknoten Schachtteilbibliotheken geöffnet.
Mit dem nächsten Abschnitt der Hilfe beginnt eine großenteils tabellarische Übersicht der verwendeten Felder. Dabei gelten für die rechts liegenden Spalten der jeweiligen Tabelle folgende Konventionen:
|
● |
|
|
Symbole im Spaltenkopf. |
|
● |
● |
● |
Zeilen des Formulars erhalten blaue, die des Bibliotheksformulars violette Marker. |
Die Felder sind nach folgenden Register-Reitern geordnet:
-
Formularkopf. Dieser ist unabhängig vom Reiter immer sichtbar.
-
Grunddaten mit den charakteristischen Daten des jeweiligen Kanalobjekts.
-
Bemaßung mit den Katalog-relevanten Maßen.
Der Formularkopf ist für folgende Reiter der Registerleiste ständig sichtbar:
Im Formularkopf werden die wichtigsten Kenndaten der Schachtteile verwaltet:
|
|
Feld + HiGON |
|
Einheit |
Details |
|
|
|
|
Bezeichnung |
- |
- |
Die Bezeichnung ist eindeutig zu vergeben. Identische Schachtteile unterschiedlicher Hersteller können beispielsweise durch Präfixe eindeutig benannt werden. |
● |
● |
|
|
Hersteller |
|
- |
Wahl des Herstellers aus der Firmenliste, die in der Gruppe Allgemeines (siehe zugehörige Hilfe) verwaltet wird. |
● |
● |
|
|
Position |
- |
- |
Dieses Datenfeld gibt die Position der Schachtteile in der Vertikalen an. Die Positionen werden von der Bodenplatte (Position "0") bis zum Schachtdeckel, also von unten nach oben vergeben. |
● |
|
|
|
Anzahl |
- |
- |
Anzahl der Schachtteile bezogen auf den übergeordneten Schacht und die Position des Schachteils. |
● |
|
|
|
Schachtteilbibliothek |
|
- |
Bezeichnung des Schachtteils laut Bibliothek. Nach Wahl per Schaltfläche oder automatischer Schachtteilgenerierung stimmt dieser Eintrag mit dem von Bezeichnung überein. |
● |
|
|
|
Anschlüsse |
|
- |
In der hierarchischen Ansicht zum Schachtunterteil sind die zugeordneten Anschlüsse zu sehen. |
● |
|
Schachtteilbibliothek
Bei sorgfältiger Beachtung der Randbedingungen (vor allem Schachtteildurchmesser, Schachtteiltyp, Schachtteilhöhe, Hersteller) kann über die Auswahlliste ein anderes Schachtteil zugeordnet werden. Die Felder des aktuellen Datensatzes werden dann mit den Bibliothekseinträgen überschrieben.
Einfacher und außerdem optimierter lassen sich Schachtteile über den Aufriss und / oder einen auf den aktuellen Schacht gefilterten Neustart der Schachtteilgenerierung austauschen.
Reiter der Formulare zur Verwaltung der Schachtteile.
|
|
Grunddaten |
|
Gruppen des Reiters:
Felder der Gruppe:
|
|
Feld |
|
Einheit |
Details |
|
|
Typ |
|
- |
Der Schachtteiltyp wird per Auswahlliste definiert. |
|
|
Beschreibung |
- |
- |
Sinnvolle Beschreibung des Schachtteils. |
Felder der Gruppe:
|
|
Feld |
|
Einheit |
Details |
|
|
Material 1 |
|
- |
Über das Feld wird der Baustoff des Schachtteils erfasst. Auswahlliste. |
|
|
Material 2 |
|
- |
Optionale Erfassung eines weiteren Baustoffs, etwa das Gusseisen eines Kanaldeckels. Auswahlliste. |
Felder der Gruppe:
|
|
Feld |
|
Einheit |
Details |
|
|
Form 1 |
|
- |
Geometrische Form des Schachtteils. Auswahlliste. |
|
|
Form 2 |
|
- |
Optionale weitere geometrische Form des Schachtteils. |
Felder der Gruppe:
|
|
Feld |
|
Einheit |
Details |
|
|
Einzelpreis |
- |
€ |
Der Einheitspreis je Schachtteil wird in den Berichten berücksichtigt. |
|
|
Gewicht |
- |
kg |
Die Masse je Schachtteil ist eine wichtige Transport- und Einbauinformation. |
|
|
Verdrängung |
- |
m³ |
Bodenverdrängung des eingebauten Schachtteils nach der vollständiger Verfüllung. |
|
|
Gerinneart |
|
- |
Art des in das Schachtunterteil integrierten Gerinnes. Auswahlliste. |
Reiter der Formulare zur Verwaltung der Schachtteile.
|
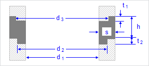
|
Bemaßung |
|
Die Bemaßung umfasst alle Abmessungen, Wandstärken und Versatzmaße der einzelnen Schachtteiltypen. Von der folgende Skizze führen Verknüpfungen zu den Details des Abschnitts Theoretische Grundlagen weiter. Die Zahlen in Klammern beziehen sich auf die Auswahlliste Typ in der Gruppe Charakterisierung des Reiters Grunddaten:
|
|
|
(7) Schachtdeckel (3) Auflageringe (5) Konus (6) Ausgleichsring (4) Schachtring (1) Übergangsplatte oder Übergangsring (2) Unterteil (1) Bodenplatte |
Gruppen des Reiters:
Felder der Gruppe:
|
|
Feld |
|
Einheit |
Details |
|
|
d1 |
- |
mm |
Innendurchmesser; bei Konus und Übergangsplatte (Übergangsring) unten. Innendurchmesser Schachtrahmen unterhalb Deckel. |
|
|
d2 |
- |
mm |
Innendurchmesser an Muffe; bei Konus und Übergangsplatte (Übergangsring) unten. Innendurchmesser Schachtrahmen am Übergang zu den Auflageringen. Außendurchmesser Auflagering am Spitzende. Durchmesser Schachtunterteil zwischen den Rohranschlüssen. |
|
|
d3 |
- |
mm |
Innendurchmesser am Spitzende (oben) von Schachtring, Übergangsplatte (Übergangsring), Schachtunterteil sowie an der oberen Muffe von Konus und Auflagering. Durchmesser Schachtdeckel. |
|
|
d10 |
- |
mm |
Innendurchmesser Konus und Übergangsplatte (Übergangsring) oben. Maximaler Innendurchmesser Anschlussrohr Schachtunterteil. |
Felder der Gruppe:
|
|
Feld |
|
Einheit |
Details |
|
|
e1 |
- |
mm |
Innenlänge eines rechteckigen Schachtteils mit Innenbreite. Standardwert ist d1. |
|
|
e2 |
- |
mm |
Innenlänge eines rechteckigen Schachtteils mit Innenbreite. Standardwert ist d2. |
|
|
e3 |
- |
mm |
Innenlänge eines rechteckigen Schachtteils mit Innenbreite. Standardwert ist d3. |
|
|
e10 |
- |
mm |
Innenlänge oben des rechteckigen Schachtteils Konus oder Übergangsplatte (Übergangsring). Maximale Innenbreite Anschlussrohr Schachtunterteil. Standardwert ist d10. |
Felder der Gruppe:
|
|
Feld |
|
Einheit |
Details |
|
|
h |
- |
mm |
Bauhöhe Schachtteil; mit Ausnahme von Schachtrahmen und Schachtunterteil entsprechend Schachtteilhöhe - t2. |
|
|
t1 |
- |
mm |
Höhe Spitzende oder Muffe oben. |
|
|
t2 |
- |
mm |
Höhe Spitzende oder Muffe unten. Für Schachtunterteil Gesamthöhe einschließlich Bodenplatte. Für Schachtrahmen Einbindehöhe in den Auflagering. |
Felder der Gruppe:
|
|
Feld |
|
Einheit |
Details |
|
|
s |
- |
mm |
Nennwandstärke des Schachtteils. Ausgangsparameter für die grafische Darstellung der Schachtteilaußenmaße. |
|
|
s1 |
- |
mm |
Optionalwert für eine abweichende Wandstärke unten. Wandstärke für die Muffe des Schachtrahmens. |
|
|
ga1 |
- |
° |
Maximale Wandneigung innen Konus oder Übergangsring. Neigung der Auftrittsfläche (Berme) im Schachtunterteil. Standardwert 90°. |
|
|
ga2 |
- |
° |
Maximale Wandneigung außen Konus oder Übergangsring. Standardwert 90°. |
Felder der Gruppe:
|
|
Feld |
|
Einheit |
Details |
|
|
al1 |
- |
° |
Winkel zwischen der Achse des Hauptablaufrohrs und der Hauptachse des versetzten Schachtteils. Standardwert 0°. |
|
|
al2 |
- |
° |
Winkel zwischen der Achse des Hauptablaufrohrs und der Strecke v1. Standardwert 0°. |
|
|
al3 |
- |
° |
Ersatzfeld für einen weiteren Versatzwinkel. |
|
|
v1 |
- |
mm |
Versatzlänge. Strecke zwischen den Schwerpunkten von Schachtunterteil und versetztem Schachtteil. Standardwert 0 mm. |
|
|
v2 |
- |
mm |
Ersatzfeld für eine weitere Versatzlänge. |
Die Versatzmaße gehören standardmäßig zum Schachtunterteil. Andere Schachtteile können in Ausnahmefällen auch einen Versatz besitzen. Dann sind die hier beschriebenen Felder ebenfalls mit Inhalt zu füllen.
Das Formular zeigt alle relevanten Anschlussdaten des Schachtunterteils. Diese werden in drei Gruppen verwaltet.
|
|
In der Schachtteilbibliothek ist die Zuordnung der Schachtanschlüsse optional. |
Gruppen des Reiters:
Felder der Gruppe:
|
|
Feld |
|
Einheit |
Details |
|
|
Lfd.Nr. |
- |
- |
Laufende Nummer des Anschlussrohrs. Zählung im Uhrzeigersinn beginnend beim Hauptablaufrohr. |
|
|
Bezugssohle |
|
- |
Beszugssohle für den Sohlabstand in Gruppe Bemaßung. Auswahlliste. Standardwert 0 (OK Bodenplatte). |
|
|
Haltung |
|
- |
Dem Anschlussrohr übergeordnete Anschlussleitung, wenn es sich um eine Haltung handelt. |
|
|
Anschlussleitung |
|
- |
Immer sichtbare Bezeichnung der dem Anschlussrohr übergeordneten Anschlussleitung. |
Felder der Gruppe:
|
|
Feld |
|
Einheit |
Details |
|
|
Profilhöhe |
- |
mm |
Nennhöhe des generierten Anschlussrohrs. |
|
|
Profilbreite |
- |
mm |
Von der Nennhöhe abweichende Nennweite eines generierten Anschlussrohrs. Optionalwert. |
|
|
Profilart nach ISYBAU |
|
- |
Profilart des generierten Anschlussrohrs. Auswahlliste. |
|
|
Verbindungsart |
|
- |
Verbindungsart des generierten Anschlussrohrs. Auswahlliste. |
|
|
Material |
|
- |
Baustoff des generierten Anschlussrohrs. Auswahlliste. |
Felder der Gruppe:
|
|
Skizze |
Feld |
|
Einheit |
Details |
|
|
- |
Sohlabstand |
- |
mm |
Abstand Unterkante Rohranschluss von der Sohle des Schachtunterteils. Standardwert 0 mm. |
|
|
va |
x-Versatz |
- |
mm |
Versatzlänge va zwischen Schwerpunkt Schachtunterteil und Rohranschluss. X-Koordinate. Standardwert 0 mm. |
|
|
va |
y-Versatz |
- |
mm |
Versatzlänge va zwischen Schwerpunkt Schachtunterteil und Rohranschluss. Y-Koordinate. Standardwert 0 mm. |
|
|
beta |
Winkel |
- |
° |
Winkel zwischen der Anschlussrohrachse und der Versatzlänge va gemäß Skizze. Standardwert 0°. |
|
Impressum der Dokumentation |
|
Stand: |
23.02.2015 |
Verantwortlich: |
Jörg Martin |
|
Copyright: |
Barthauer Software GmbH |
Erreichbarkeit: |
Homepage: www.barthauer.de |

