|
|
BaSYS AquaFIN |
|
Mit BaSYS AquaFIN kann jedes Wasserversorgungsnetz der Wasserdatenbank hydraulisch berechnet werden. Die Berechnung erfolgt wahlweise im Programm STANET der Firma Fischer-Uhrig und / oder im Programm EPANET der US-amerikanischen Environmental Protection Agency. BaSYS AquaFIN ist vollständig in die Formularstruktur von AquaDATA integriert. Eine spezielle Modellierung der Wasserversorgungsobjekte ist nicht erforderlich. Aufruf aus Gruppe Berechnung der klassischen Barthauer Management Console.
Abschnitte der Hilfe
In der Hilfe werden folgende Abschnitte beschrieben:
Einführendes Beispiel
|
|
Zugehöriges Symbol |
Zum Nachvollziehen der an dieser Stelle beschriebenen Arbeitsschritte stehen Beispieldateien zur Verfügung. Die Dateien befinden sich im BaSYS Installationsverzeichnis auf \Beispieldaten\AquaDATA_AquaFIN\. Eine Kurzanleitung zur Vorbereitung und Durchführung der Berechnung befindet sich im Abschnitt So geht's. In diesem Abschnitt geht es um folgende Themen:
Kurzanleitung
|
|
Zugehöriges Symbol |
Im Folgenden sind die wichtigsten Arbeitsschritte für die Arbeit mit AquaFIN zusammenfassend dargestellt.
-
Installation und Registrierung von STANET
-
Kontrolle der Bibliotheksdaten:
-
-
Rohrbibliothek
-
Pumpenkennlinien
-
-
-
Voreinstellungen
-
-
Planung des Wasserversorgungsnetzes in BaSYS Plan.
-
Kontrolle der relevanten Objektdaten:
-
-
Knoten
-
Leitungen
-
-
Definition des zu berechnenden Leitungsnetzes über die Voreinstellungen.
-
Durchführung der Berechnung.
-
Kontrolle der Ergebnisse.
AquaFIN-Beispielnetze.mdb.rar
Komprimierte BaSYS 6 Access Datenbank bei. Die darin enthaltenen 5 Beispielprojekte beziehen sich auf ein idealisiertes Wasserversorgungsnetz und können über den BaSYS V6 Import nach BaSYS 8 übernommen werden.
AquaFIN-Beispielnetz.xlsx
Excel-Datei mit einem schematischen Plan des Wasserversorgungsnetzes. In den Plan sind die Berechnungsergebnisse für 5 Belastungsvarianten eingebunden.
Vorbereitung der Beispieldaten
|
|
Zugehöriges Symbol |
Zur Nutzung der BaSYS 6 Beispieldaten in BaSYS 8 und zum Nachvollziehen der Ergebnisse gemäß beiliegender Excel-Datei sind folgende Schritte abzuarbeiten:
-
Entpacken der komprimierten Beispieldatenbank.
-
Start von BaSYS 8. Öffnen des System Managers. Anlegen einer leeren Datenbank.
-
Import der Beispieldaten über den BaSYS V6 Import. Auf der dritten Seite Quell-Datenbank wählen des Assistenten werden Beispieldatenbank und der Fachbereich Wasser gewählt.
-
Aktualisierung der Datenquelle im System Manager über die zugehörige Schaltfläche. Aktuell Setzen der Hydraulikvariante von Variante 1 / Knotenentnahme ….
-
Start von BaSYS AquaFIN. Wahl der Gruppe Knoten + Kanten, Navigation in den Knoten Hydraulik und Öffnen des Formulars Hydraulische Voreinstellung.
-
Ja nach Freischaltung kann jetzt die Aufgabe EPANET-Berechnung starten oder STANET-Berechnung starten aktiviert werden. Ein Assistent führt durch die Schritte bis zum Abschluss der Berechnung. Auf der zweiten Seite des Assistenten werden die relevanten Einstellungen definiert:
-
-
Hydraulische Voreinstellung, die genutzt werden soll. Das Beispielnetz besitzt nur eine.
-
Hauptverzeichnis, auf dem alle Berechnungsdateien gespeichert werden.
-
Optionales Unterverzeichnis = Voreinstellung als alternativer Speicherort.
-
Option zur automatischen Generierung der Leitungsattribute aus der Rohrbibliothek.
-
Option zur ausschließlichen Übergabe geschlossener Schieber an den Berechnungskern.
-
Rauigkeit automatisch generierter Leitungen (muss für EPANET > 0 sein).
-
Verlustbeiwert der Rückschlagklappen (EPANET-relevant. Empfohlen: 0,0 .. 0,2).
-
Die getroffenen Definitionen werden vom Assistenten für weitere Aufrufe gespeichert.
-
Vor Berechnung der nächsten Projektvariante wird die zugehörige Hydraulikvariante im System Manager auf aktuell gesetzt. In BaSYS AquaFIN muss der Menübefehl Datei / Datenquelle aktualisieren ausgeführt werden, bevor die nächste Berechnung gestartet werden kann.
Mit einer neuen Voreinstellung kann über folgende Schritte gerechnet werden:
-
Anlegen eines neuen Datensatzes für das Formular Hydraulische Voreinstellung. Die Eingabe des Metermengenwertes (0,01 l/s/m für das Beispiel) sollte jetzt erfolgen.
-
Aufruf der Aufgabe Hydrauliknetz generieren. Es öffnet sich ein Zuordnungsformular. Im rechten Bereich werden die dem Hydrauliknetz zugeordneten Leitungen angezeigt. Per Doppelpfeil (uu oder tt) werden alle, per Einfachpfeil (u oder t) nur die gewählten Leitungen zwischen den Bereichen verschoben. Alternativ können die Leitungen über zwei darüber angeordnete Schaltflächen (Grafische Auswahl in BaSYS Plan / Filter des Configuration Explorers) dem Hydrauliknetz zugeordnet werden.
-
Die gemäß AquaFIN-Hilfe berechnungsrelevanten Vorgabewerte sind zu editieren. Am sinnvollsten werden dazu aus der hierarchischen Ansicht des Formulars Hydraulische Voreinstellung die Formulare Knotenhydraulik und Leitungshydraulik geöffnet. Die Werte können in der tabellarischen Ansicht der Formulare kontrolliert und großenteils editiert werden.
-
Die Parameter z (Verlustbeiwert) und Bebauungsfaktor sind – nicht je Hydrauliknetz! – in der Navigationsgruppe Knoten + Kanten / Knoten oder Kanten einstellbar. Die Werte werden in den Formularen Knoten und Leitung jeweils über die tabellarische Ansicht zum Register Hydraulik editiert.
Alternativ können die relevanten Werte aus den Formularen Knotenhydraulik und Leitungshydraulik heraus korrigiert werden. Die Daten werden aus dem Objektbezeichnungsfeld (Knoten / Leitung) per Kontextmenü (rechte Maustaste) Gehe zu ... erreicht.
-
Sobald die Eingaben mit denen der importierten Daten übereinstimmen, sollte die Berechnung dieselben Ergebnisse liefern.
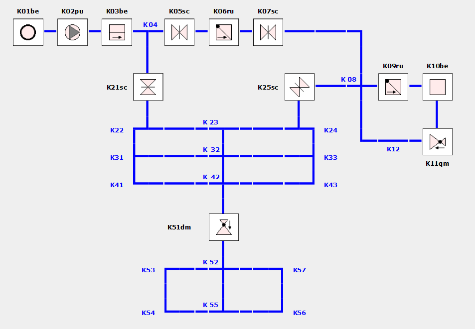
Wasserversorgungsnetz
|
|
Zugehöriges Symbol |
Das Wasserversorgungsnetz wurde bewusst erheblich vereinfacht, um die wichtigsten Randbedingungen einer Berechnung mit BaSYS AquaFIN vorzustellen. Das Beispielkanalnetz ist in der Excel-Datei detaillierter dargestellt. Die verwendeten Armatursymbole werden in einem späteren Abschnitt dieser Hilfe beschrieben.

Es handelt sich um ein kleines Netz mit 6 Maschen und folgenden wichtigen Merkmalen:
-
Die Versorgung erfolgt über eine Brunnenanlage, die durch Brunnen K01be und Pumpe K02pu modelliert wird.
-
Der Versorgungsdruck wird über Durchlaufbehälter K03be und Gegenbehälter K10be aufgebaut.
-
Der Gegenbehälter wird über Rückschlagklappe K09ru und Durchflussregler K11qm gesteuert.
-
Druckregler K51dm reduziert den Druck für das Teilnetz mit Knoten K52 ... K57 und trennt es dadurch hydraulisch vom höher gelegenen Versorgungsnetz (Knoten K22 ... K43).
-
Die Entnahmen werden über Metermengenwerte und / oder Bebauungsfaktoren ermittelt.
Projektvarianten und Berechnung
|
|
Zugehöriges Symbol |
Zunächst wird auf die wichtigsten Randbedingungen der 5 Projektvarianten gemäß Excel-Datei eingegangen.
Projektvariante 1
|
|
Zugehöriges Symbol |
In Projektvariante 1 wird der Wasserverbrauch ausschließlich über Knotenentnahmen modelliert. Die Entnahmen betragen für die Knoten des höher gelegenen Versorgungsnetzes:
|
● |
K22: |
2,00 l/s |
K23: |
1,50 l/s |
K24: |
3,00 l/s |
|
● |
K31: |
1,00 l/s |
K32: |
0,50 l/s |
K33: |
1,00 l/s |
|
● |
K41: |
4,00 l/s |
K42: |
1,00 l/s |
K43: |
3,00 l/s |
Für das tiefer gelegene Teilnetz werden zwei Knotenentnahmen modelliert:
|
● |
K54: |
5,00 l/s |
K56: |
7,00 l/s |
|
|
Alle Schieber sind offen. Gegenbehälter K10be wird gefüllt. Daher ist Durchflussregler K11qm geschlossen.
EPANET - Meldung
Während der Berechnung wird die Meldung "WARNING: FCV K11qm open but cannot deliver flow at 0:00:00 hrs." erzeugt. Der Regler muss über die Knotenhydraulik zu Knoten + Kanten / Knoten Formular Reglerarmatur geschlossen werden. Dort ist das Häkchen vor offen (durchströmt) zurückzusetzen. Die Berechnung muss dann noch einmal durchgeführt werden.
Projektvariante 2
|
|
Zugehöriges Symbol |
Zusätzlich zur Knotenentnahme gemäß Projektvariante 1 wird für die meisten Leitungen eine Strangentnahme von 0,01 l/s/m gerechnet. Dadurch wird die Beschickung von Behälter K10be erheblich reduziert.
Bei Nutzung von EPANET muss Durchflussregler K11qm manuell geschlossen werden.
Projektvariante 3
|
|
Zugehöriges Symbol |
Das Wasserversorgungsnetz wird ausschließlich über die für Projektvariante 2 angesetzte Strangentnahme berechnet. Die Beschickungsmenge von Behälter K10be ist erheblich größer als in Projektvariante 1.
Bei Nutzung von EPANET muss Durchflussregler K11qm manuell geschlossen werden.
Projektvariante 4
|
|
Zugehöriges Symbol |
Das Wasserversorgungsnetz wird ebenfalls ausschließlich für die genannte Strangentnahme berechnet.
Behälter K03be und K10be speisen gemeinsam in das Netz ein. Daher ist Rückschlagklappe K09ru geschlossen. Die Einspeisung aus Behälter K10be ist über Durchflussregler K11qm auf 6,0 l/s begrenzt.
Projektvariante 5
|
|
Zugehöriges Symbol |
In dieser Projektvariante ist Rückschlagklappe K09ru falsch herum eingesetzt. Dadurch ist Behälter K10be vom Wasserversorgungsnetz abgetrennt.
Bei Nutzung von EPANET muss Durchflussregler K11qm manuell geschlossen werden.
Variationsmöglichkeiten
|
|
Zugehöriges Symbol |
Die fünf Projektvarianten bieten eine Vielzahl von Variationsmöglichkeiten, um das hydraulische Verhalten des Wasserversorgungsnetzes näher zu erkunden. Dazu gehören beispielsweise:
-
Variation der Behälterfüllhöhen.
-
Änderung der Pumpenkennlinie.
-
Schließen / Öffnen von Schiebern.
-
Ändern des Solldrucks / Solldurchflusses der Regler.
-
Variation der Einzelentnahmemengen.
-
Variation von Metermengenwert und / oder Bebauungsfaktoren.
-
Änderung der Leitungsdurchmesser.
Wichtige Hinweise
|
|
Zugehöriges Symbol |
In diesem Abschnitt geht es um folgende Themen:
Die Wasserversorgungsnetze können über die Schnittstelle mit dem Programm STANET der Firma Fischer-Uhrig oder mit dem kostenlosen Programm EPANET der U.S. Environmental Protection Agency berechnet werden. Vergleichstests zeigen eine gute Übereinstimmung zwischen den Berechnungsergebnissen beider Programme.
Die Eingabedateien können außerhalb von BaSYS sowohl mit STANET als auch mit EPANET nachgerechnet werden. Die aktuelle EPANET-Version kann direkt vom Internet heruntergeladen und installiert werden.
Je nach Freischaltung erfolgt die Berechnung der Wasserversorgungsnetze in BaSYS AquaFIN über die Aufgabe STANET-Berechnung oder EPANET-Berechnung. Der Start ist über das Formular Hydraulische Voreinstellung, das Menü Extras oder die äquivalenten Schaltflächen der Werkzeugleiste möglich. Der zugehörige Assistent führt durch die jeweilige Berechnung.
BaSYS AquaFIN
|
|
Zugehöriges Symbol |
Im Hinblick auf Strangentnahmen ist zu beachten, dass die Umrechnung in Knotenentnahmen eine grobe Systemvereinfachung darstellt. In Wirklichkeit verlaufen Druck- und Energielinie zwischen Anfangs- und Endknoten einer Leitung mit Strangentnahme parabelförmig. Der Verlauf wird vereinfacht linear angenommen.
Im Hinblick auf die Hydraulikdaten wird das Knoten-Feld Zufuhr nicht über die Berechnung sondern über die manuelle Eingabe gefüllt. Das Feld Vordruck ist ausschließlich für die Knotentypen relevant, die in STANET / EPANET als Kanten modelliert werden.
Über das Feld Export Hydraulik im Reiter Hydraulik der Knotenformulare wird der Stützknoten durchflussrichtungsabhängiger Armaturen definiert. Da die Berechnungsschnittstelle die Stützknoten automatisch definiert, wird Eintrag 2 (Knoten dahinter benutzen) und 3 (Knoten davor benutzen) nicht mehr unterstützt. Sind die genannten Einträge in früheren BaSYS Versionen gesetzt worden, weist eine Fehlermeldung des Berechnungsassistenten darauf hin.
Die z-Werte der Armaturen und die Bebauungsfaktoren der Leitungen gehören nicht zu den Parametern der jeweiligen Voreinstellung Hydraulik, sondern zu den Stammdaten. Die Werte können also nicht je Voreinstellung variiert werden.
Die Programme STANET und EPANET sollten während einer Berechnung mit BaSYS AquaFIN geschlossen sein. Bei geöffnetem STANET weist eine Meldung auf das Schließen des Programms hin.
STANET-Schnittstelle
|
|
Zugehöriges Symbol |
Die STANET-Version muss über die aktuelle Lizenzdatei freigeschaltet sein. Die Lizenzdatei STANET.LIC ist nach Installation und Start von STANET einmalig über den Menüeintrag <?> / Lizenzdaten aktualisieren zu aktivieren.
STANET unterscheidet zwischen Haupt- und Anschlussleitungen. Anschlussleitungen aus BaSYS werden von der STANET-Schnittstelle aber nicht unterstützt. Für Anschlussleitungen steht dort eine spezielle Funktionalität zur Verfügung, die aber von BaSYS nicht unterstützt wird. Daher müssen alle Netzleitungen, die in STANET berechnet werden sollen, den Status Hauptleitung besitzen. Für Anschlussleitungen, die in der aktuellen Netzvariante berücksichtigt werden sollen, muss also die Leitungsart geändert werden.
Damit in BaSYS die Leitungsart "Anschlussleitung" nicht verloren geht, kann man einen neuen Auswahllisteneintrag "Haupt-Anschlussleitung" erstellen und die Anschlussleitungen mit Status Hauptleitungen definieren.
Für Leitungen zwischen Behälter und geschlossenem Durchflussregler wird die Strangentnahme nicht berücksichtigt. Lässt sich diese Konstellation nicht umgehen, ist die Strangentnahme in zwei Knotenentnahmen für die benachbarten Knoten umzurechnen und entsprechend einzugeben.
Die aus BaSYS AquaFIN importierten Pumpenkennlinien werden in STANET neu berechnet, wobei nur stetige Kurvenverläufe akzeptiert werden. In diesem Zusammenhang sind für BaSYS AquaFIN folgende Arbeitsweisen möglich: (1) Definition von Pumpenkennlinien mit jeweils zwei oder drei Werten. Anschließende Kontrolle der in STANET generierten Kurvenverläufe. (2) Definition von Pumpenkennlinien mit jeweils mehr als drei Werten. Der jeweilige Kurvenverlauf ist gegebenenfalls so lange zu optimieren, bis alle Pumpenkennlinien von STANET akzeptiert werden.
EPANET-Schnittstelle
|
|
Zugehöriges Symbol |
EPANET ist vollständig in BaSYS integriert, kann aber zwecks Nachrechnung über den relevanten Link aus dem Internet heruntergeladen werden. Dort befindet sich auch das Anwenderhandbuch (User Manual). Nach Installation und Öffnen von EPANET kann die gewünschte per AquaFIN erzeugte Datei EPANET.inp über File / Open aktiviert werden. Dabei muss der Dateityp Input file (*.INP) eingestellt sein.
Durchflussregler können nicht automatisch geschlossen werden. Daher ist das Protokoll des Berechnungsassistenten genau zu kontrollieren. Bei Meldung "WARNING: FCV … open but cannot deliver flow at 0:00:00 hrs." muss der betreffende Durchflussregler manuell in AquaFIN geschlossen werden. Falls sich vor einer erneuten Berechnung wichtige Randbedingungen geändert haben, sind alle Durchflussregler in AquaFIN erneut auf geöffnet zu setzen. Das Protokoll ist dann nach der Berechnung erneut zu kontrollieren. Sonst können schnell Berechnungsfehler entstehen.
EPANET modelliert Durchlaufbehälter mit keiner speziellen Logik. Aus der Auswahlliste zum Feld Haupttyp / Ergänzung muss Eintrag 0 (ohne Angabe) oder 3 (Gegenbehälter) gewählt werden. Die Einträge 1 (Durchlaufbehälter) und 2 (Schwerpunktbehälter) führen zu einer falschen Modellierung und damit zu fehlerhaften Berechnungsergebnissen.
Rückschlagklappen werden in EPANET über den Status CV Check Valve geregelt. Über diesen Status wird der Durchfluss automatisch nur in der geplanten Richtung erlaubt. Bei einer dynamischen Simulation erfolgt die Regelung über den Verlustbeiwert. Tests mit der stationären Simulation haben ergeben, dass ein Verlustbeiwert zwischen 0,10 und 0,30 für geöffnete Rückschlagklappen optimal ist. Dieser Wert kann im Assistenten zur Kalibrierung der Simulation genutzt werden.
Die Bedingung Durchfluss unbekannt und Druck bekannt kann über die EPANET-Schnittstelle nicht exportiert werden, da die Umwandlung in das Objekt [RESERVOIR] gegenwärtig nicht implementiert ist. Die genannte Randbedingung ist somit als Gegenbehälter zu modellieren.
Beim Rückimport aus EPANET wird der interne Durchfluss für Schieber in einzelnen Fällen mit der entgegengesetzten Fließrichtung ausgegeben. Dies hat aber keinen Einfluss auf die Qualität der Netzberechnung.
Die Energiehöhe der Knoten sowie Energiegefälle und Druckdifferenz der Leitungen werden nicht nach BaSYS zurückgelesen.
So geht's
|
|
Zugehöriges Symbol |
In diesem Abschnitt der Hilfe werden die Arbeitsschritte häufig einzusetzender Arbeitsweisen in groben Zügen beschrieben. In diesem Abschnitt geht es um folgende Themen:
|
● |
|
|
|
● |
|
|
|
● |
|
|
|
● |
|
|
|
● |
|
|
|
● |
|
|
|
● |
|
Kurzanleitung
|
|
Zugehöriges Symbol |
Eine detailliertere Einführung in die Berechnung mit BaSYS AquaFIN gewährt das einführende Beispiel in den vorhergehenden Abschnitten dieser Hilfe.
So geht's:
|
1. |
|
Anlegen einer Voreinstellung: |
|
|
|
● |
|
Erstellung eines Datensatzes und Eingabe einer sinnvollen Bezeichnung. |
|
|
|
● |
|
Die Pflichtfelder sind automatisch mit Standardwerten gefüllt. |
|
|
|
● |
|
Der Metermengenwert ist bei Bedarf festzulegen. |
|
2. |
|
Definition des Hydrauliknetzes über die zugehörige Aufgabe: |
|
|
|
● |
|
Je Hydraulikvariante ist nur ein Hydrauliknetz möglich. |
|
|
|
● |
|
Das Hydrauliknetz ist mit beliebig vielen Voreinstellungen berechenbar. |
|
3. |
|
Kontrolle der Knotendaten: |
|
|
|
● |
|
Eine Übersicht hilft, die relevanten Formularfelder schnell zu finden. |
|
|
|
● |
|
Der Kontrollraum des Hydrauliknetzes ist korrekt vorzugeben. |
|
|
|
● |
|
Die Randbedingungen sind für bestimmte Armaturtypen sind einzuhalten. |
|
4. |
|
Kontrolle der Leitungsdaten: |
|
|
|
● |
|
Eine Übersicht hilft, die relevanten Formularfelder schnell zu finden. |
|
|
|
● |
|
Über die Randbedingungen wird die Art der Verbrauchszuweisung (Lokale Entnahme / Strangentnahme) konfiguriert. |
|
|
|
● |
|
Das Setzen der Rohrattribute über die Rohrbibliothek erleichtert die Arbeit und Übersichtlichkeit. |
Datenpriorität
|
|
Zugehöriges Symbol |
In dieser Hilfe verwendete Symbole zur Priorität der Eingabedaten und Berechnungsergebnisse:
|
|
Beschreibung |
|
|
Die Daten sind zwingend für die stationäre und dynamische Berechnung erforderlich. |
|
|
Die Daten sind fallweise für die stationäre und dynamische Berechnung erforderlich. |
|
|
Die Daten sind zwingend für die dynamische Berechnung erforderlich. |
|
|
Die Daten sind zur Kontrolle nutzbar. |
Hydrauliknetz generieren
|
|
Zugehöriges Symbol |
|
Im linken Listenbereich werden die nicht dem Hydrauliknetz zugeordneten, im rechten Bereich die zugeordneten Leitungen gelistet.
Kontrolle der Knotendaten
|
|
Zugehöriges Symbol |
Die folgenden allgemeinen Grundlagen helfen bei der Eingabe/Kontrolle der Knotendaten für die hydraulische Netzberechnung:
|
● |
|
|
|
● |
|
|
|
● |
|
|
|
● |
|
|
|
● |
|
Die Art der relevanten Knotendaten hängt dabei grundlegend vom jeweiligen Armaturtyp ab:
|
● |
|
|
|
● |
|
|
|
● |
|
|
|
● |
|
|
|
● |
|
|
|
● |
|
|
|
● |
|
|
|
● |
|
Übersicht der relevanten Knotenfelder
|
|
Zugehöriges Symbol |
Von der Übersicht der relevanten Knotenfelder führen Verknüpfungen zu wertvollen Details für eine effiziente Berechnung mit BaSYS AquaFIN:
-
Von den Armatursymbolen zur hydraulischen Modellierung der Armaturtypen.
-
Von den Symbolen der Spalten Ort zur Datenbeschreibung in der BaSYS AquaDATA-Hilfe.
-
Von der Spalte Parameter zu den relevanten Abschnitten dieser Hilfe.
-
Die Symbole sind mit Tooltipps versehen.
Übersicht:
|
Formularfeld |
Datenpriorität nach Armaturtyp |
|||||||||||||
|
a...z |
Parameter |
Einheit |
1 |
2 |
|
|||||||||
|
- |
|
|
|
|
|
|
|
|
|
|
|
|||
|
Druckhöhe |
m NN |
|
|
|
|
|
|
|
|
|
|
|
||
|
|
- |
|
|
|
|
|
|
|
|
|
|
|
||
|
|
Durchfluss maximal (Q max) |
l/s |
|
|
|
|
|
|
|
|
|
|
|
|
|
|
Durchfluss minimal (Q min) |
l/s |
|
|
|
|
|
|
|
|
|
|
|
|
|
|
l/s |
|
|
|
|
|
|
|
|
|
|
|
||
|
Entnahme (lokal) |
l/s |
|
|
|
|
|
|
|
|
|
|
|
||
|
|
Entnahme (lokal + Strang) |
l/s |
|
|
|
|
|
|
|
|
|
|
|
|
|
|
Entnahme (Strang) |
l/s |
|
|
|
|
|
|
|
|
|
|
|
|
|
|
- |
|
|
|
|
|
|
|
|
|
|
|
||
|
Flussknoten (Q ber) |
- |
|
|
|
|
|
|
|
|
|
|
|
||
|
|
Förderleistung |
m³/s |
|
|
|
|
|
|
|
|
|
|
|
|
|
|
m |
|
|
|
|
|
|
|
|
|
|
|
||
|
|
m NN |
|
|
|
|
|
|
|
|
|
|
|
||
|
m² |
|
|
|
|
|
|
|
|
|
|
|
|||
|
- |
|
|
|
|
|
|
|
|
|
|
|
|||
|
|
Haupttyp Detail |
- |
|
|
|
|
|
|
|
|
|
|
|
|
|
|
- |
|
|
|
|
|
|
|
|
|
|
|
||
|
|
Hydraulische Leistung |
l/s |
|
|
|
|
|
|
|
|
|
|
|
|
|
- |
|
|
|
|
|
|
|
|
|
|
||||
|
|
- |
|
|
|
|
|
|
|
|
|
|
|
||
|
|
Knotendruck |
m |
|
|
|
|
|
|
|
|
|
|
|
|
|
Manometrische Förderhöhe |
m |
|
|
|
|
|
|
|
|
|
|
|
||
|
|
m |
|
|
|
|
|
|
|
|
|
|
|
||
|
Nachdruck |
m |
|
|
|
|
|
|
|
|
|
|
|
||
|
|
Nachdruck maximal (P max) |
m |
|
|
|
|
|
|
|
|
|
|
|
|
|
|
Nachdruck minimal (P min) |
m |
|
|
|
|
|
|
|
|
|
|
|
|
|
|
m |
|
|
|
|
|
|
|
|
|
|
|
||
|
|
mm |
|
|
|
|
|
|
|
|
|
|
|||
|
Offen (durchströmt) |
- |
|
|
|
|
|
|
|
|
|
|
|
||
|
m NN |
|
|
|
|
|
|
|
|
|
|
||||
|
- |
|
|
|
|
|
|
|
|
|
|
||||
|
m |
|
|
|
|
|
|
|
|
|
|
|
|||
|
Verhältnis Nach-/Vordruck |
- |
|
|
|
|
|
|
|
|
|
|
|
||
|
|
- |
|
|
|
|
|
|
|
|
|
|
|||
|
|
Versorgungsdruck |
m |
|
|
|
|
|
|
|
|
|
|
|
|
|
|
Vordruck |
m |
|
|
|
|
|
|
|
|
|
|
|
|
|
|
- |
|
|
|
|
|
|
|
|
|
|
|
||
|
Zuflüsse minus Entnahme |
l/s |
|
|
|
|
|
|
|
|
|
|
|
||
|
|
l/s |
|
|
|
|
|
|
|
|
|
|
|
||
|
|
Zufuhr minus Entnahme |
l/s |
|
|
|
|
|
|
|
|
|
|
|
|
|
a..z |
Parameter |
Einheit |
1 |
2 |
|
|||||||||
|
Formularfeld |
Datenpriorität nach Armaturtyp |
|||||||||||||
Legende
|
|
Zugehöriges Symbol |
In diesem Abschnitt wird die Symbolik zur Übersicht der Knoten-Eingabefelder erläutert.
Ort in der Benutzeroberfläche
Ort in der Benutzeroberfläche zur Dateneingabe und/oder Kontrolle. Die Verknüpfungen führen zur BaSYS AquaDATA-Hilfe weiter.
|
|
Beschreibung |
|
|
Die Kennlinien sind in der Bibliothek Pumpenkennlinie zu definieren. |
|
|
Formularkopf des jeweiligen Armaturformulars oder des allgemeinen Knotenforumlars. |
|
|
Reiter Armaturdaten des jeweiligen Armaturformulars oder des allgemeinen Knotenforumlars. |
|
|
Reiter Detaildaten des jeweiligen Armaturformulars. |
|
|
Reiter Hydraulik des jeweiligen Armaturformulars oder des allgemeinen Knotenforumlars. |
|
|
Formular Knotenhydraulik. |
Armatursymbole
Die Armatursymbole werden im Beispiel-Wasserversorgungsnetz sowie für die Übersicht der Knoten-Eingabefelder verwendet. Die Verknüpfungen führen zur armaturspezifischen Beschreibung der hydraulischen Randbedingungen weiter.
|
|
Beschreibung |
|
|
Gegenbehälter (einschließlich unbekannter Behältertyp). |
|
|
Durchlaufbehälter (einschließlich Schwerpunktbehälter). |
|
|
Pumpe mit Pumpenkennlinie. |
|
|
Absperrarmatur (erforderliche Eingaben beziehen sich meist auf Ventile). |
|
|
Ventil (Spezielle Absperrarmatur). |
|
|
Rückflussverhinderer (erforderliche Eingaben beziehen sich meist auf Rückschlagklappen oder Ventile). |
|
|
Rückschlagklappe (Spezieller Rückflussverhinderer). |
|
|
Reglerarmatur (Druck oder Durchfluss). |
|
|
Allgemeine Parameter
|
|
Zugehöriges Symbol |
Die allgemeinen Parameter sind unabhängig vom Armaturtyp für jeden Knoten hydraulisch relevant.
Rohroberkante
|
|
Datenpriorität gemäß Tooltipp |
Die Rohroberkante entspricht der Sohlhöhe der jeweiligen Armatur. Die Rohroberkante ist als geodätische Höhe einzugeben. Meistens ist die Einheit also m NN. Für alle Druckknoten ist die Eingabe der Rohroberkante zwingend erforderlich, da über Messdruck und geodätische Höhe der zugehörige Zwangspunkt der Energielinie berechnet wird.
Verlustbeiwert (z - Wert)
|
|
Datenpriorität gemäß Tooltipp |
Der Verlustbeiwert beziehungsweise Zähigkeitsbeiwert (ζ - Wert) entspricht der Summe aus den Beiwerten des Ein- und Auslaufverlustes der jeweiligen Armatur. Der Verlustbeiwert kann im Formular Knoten eingetragen werden. Bei fehlenden Eingaben nimmt der Berechnungskern automatisch Standardwerte an. Für Behälter ist der Verlustbeiwert irrelevant.
Bezeichnung - Knoten - Voreinstellung
|
|
Datenpriorität gemäß Tooltipp |
Jeder Knoten muss eine eindeutige möglichst intuitive Bezeichnung besitzen; eine Grundvoraussetzung für die Verwaltung in der Datenbank. Die Felder der Knotenhydraulik werden automatisch aus den Stammdaten erstellt. Dabei erhalten sie über die Auswahlliste Knoten eine Verknüpfung mit dem Stammdatenknoten sowie über eine weitere Auswahlliste eine Verknüpfung mit der aktiven Voreinstellung.
Im Formular Knotenhydraulik können bei Bedarf andere Knoten und Voreinstellungen gewählt werden. Zur Vermeidung unnötiger Fehler wird aber empfohlen, die automatischen Zuweisungen von Knoten und Voreinstellung beizubehalten.
Haupttyp - Haupttyp Ergänzung
|
|
Datenpriorität gemäß Tooltipp |
Für einige Armaturen besitzen die gewählten Einträge der Auswahlliste Haupttyp erheblichen Einfluss auf die hydraulische Modellierung.
Haupttyp
Der Haupttyp legt für folgende Armaturen fest, ob sie als Ventil arbeiten oder nicht:
|
● |
|
Absperrarmatur. |
|
● |
|
Rückflussverhinderer. |
|
● |
|
Reglerarmatur. |
Haupttyp Ergänzung
Über den Eintrag der Auswahlliste wird zwischen folgenden Behälterarten unterschieden:
|
● |
|
Gegenbehälter. |
|
● |
|
Durchlaufbehälter. |
Randbedingungen
|
|
Zugehöriges Symbol |
Je Hydraulikvariante können für die selben Stammdaten andere Randbedingungen definiert werden.
Lokale Einspeisung und Entnahme
Für die Knoten können je hydraulischer Voreinstellung Einspeise- und Entnahmemengen definiert werden. Dabei gilt:
-
Negative Zufuhr = Entnahme
-
Negative Entnahme = Zufuhr
Bei fehlenden Realwerten können die Einspeisungen und Entnahmen über die Strangentnahme geschätzt werden.
Zufuhr
|
|
Datenpriorität gemäß Tooltipp |
Für die Knoten können je hydraulischer Voreinstellung Zufuhrmengen [l/s] definiert werden. Sinnvoll ist die Eingabe dieses Parameters vor allem für Brunnen sowie als Bedingung am Rand eines zu berechnenden Wasserversorgungsnetzes.
Entnahme (lokal)
|
|
Datenpriorität gemäß Tooltipp |
Für die Knoten können je hydraulischer Voreinstellung Entnahmemengen [l/s] definiert werden. Alternativ kann die Entnahme am jeweiligen Knoten über Bebauungsfaktoren und den Metermengenwert berechnet werden.
Stützknoten - Export Hydraulik
|
|
Datenpriorität gemäß Tooltipp |
Für jede Armatur mit nur einer Durchflussrichtung muss in AquaFIN ein zugehöriger Stützknoten gewählt werden:
|
● |
|
Durchlaufbehälter. |
|
● |
|
Pumpe. |
|
● |
|
Reglerarmatur. |
|
● |
|
Ventil. |
|
● |
|
Rückschlagklappe. |
Modellierung im Berechnungskern
Die genannten Armaturen werden im Berechnungskern wie folgt modelliert:
-
Virtuelle Leitung --- Armatur --- virtuelle Leitung
-
Auf der Ablaufseite der relevanten Armatur wird beim Export in den Berechnungskern eine virtuelle Leitung und ein virtueller Knoten gesetzt.
-
Der jeweilige Stützknoten ist der real existierende Knoten, der sich nach dem Import in den Berechnungskern auf der Zulaufseite der relevanten Armatur befindet. Als Stützknoten ist in AquaFIN immer der reale Knoten auf der Zulaufseite der jeweiligen Armatur zu wählen.
-
Die Konstruktionsrichtung muss für die Leitungen vor und nach der jeweiligen Armatur der Soll-Durchströmungsrichtung entsprechen.
Offen (durchströmt)
|
|
Datenpriorität gemäß Tooltipp |
Folgende Armaturen können geschlossen werden, indem das Häkchen vor offen (durchströmt) entfernt wird:
|
● |
|
Pumpe. |
|
● |
|
Reglerarmatur. |
|
● |
|
Ventil. |
|
● |
|
Schieber. |
Behälter, Rückschlagklappen und Hydranten können nicht geschlossen werden.
Abgrenzung des Kontrollraums
|
|
Zugehöriges Symbol |
Die Abgrenzung des Kontrollraums (aktuelles Hydrauliknetz) erfolgt über die sogenannten Bezugsknoten:
-
Die Bezugsknoten müssen die zwei Randbedingungen RB jeweils mindestens 1 mal einhalten.
-
Je Randbedingung muss mindestens ein Bezugsknoten K angegeben sein.
Die Übersicht zeigt die Randbedingungen und die erforderlichen Eingaben:
|
RB |
(Randbedingung) |
K |
Eingabefeld |
Wert |
|
P |
Vorgegebener Druck P |
≥ 1 |
Druckknoten |
|
|
|
|
|
Messdruck |
m |
|
Q |
Unbekannter Zufluss Q |
≥ 1 |
Flussknoten |
|
Druckknoten (RB P)
|
|
Datenpriorität gemäß Tooltipp |
Am Rand eines Hydrauliknetzes ist mindestens ein sogenannter Bezugsknoten zu definieren. Über die Bezugsknoten werden die Randbedingungen des Kontrollraums hinsichtlich Druck und Durchfluss festgelegt.
Das Feld Druckknoten (P vorgeg) bestimmt die Randbedingung Druck. Hierfür gelten folgende Vereinbarungen:
|
● |
|
Häkchen gesetzt: |
|
|
- |
Das Objekt ist als Druckknoten definiert. |
|
|
- |
Der Messdruck ist zu definieren! |
|
● |
|
Kein Häkchen gesetzt: |
|
|
- |
Das Objekt ist kein Druckknoten. |
Messdruck [m]
|
|
Datenpriorität gemäß Tooltipp |
Für jeden Bezugsknoten, welcher als Druckknoten definiert ist, muss der Messdruck definiert werden. Bei fehlender Eingabe nimmt der Berechnungskern einen Messdruck von 0 m an. Die Druckhöhe entspricht dann an diesem Rand des Kontrollraums der geodätischen Höhe.
Flussknoten (RB Q)
|
|
Datenpriorität gemäß Tooltipp |
Am Rand eines Hydrauliknetzes ist mindestens ein sogenannter Bezugsknoten zu definieren. Über die Bezugsknoten werden die Randbedingungen des Kontrollraums hinsichtlich Druck und Durchfluss festgelegt.
Das Feld Flussknoten (Q ber) bestimmt die Randbedingung Durchfluss. Hierfür gelten folgende Vereinbarungen:
|
● |
|
Häkchen gesetzt: |
|
|
- |
Der Durchfluss ist automatisch zu berechnen. |
|
● |
|
Kein Häkchen gesetzt: |
|
|
- |
Der Durchfluss wird an diesem Rand des Kontrollraums nicht automatisch berechnet. |
Plausible Randbedingungen
Die korrekte Einhaltung der Randbedingungen RB durch die Bezugsknoten K kann anhand der hier beschriebenen Fallunterscheidung kontrolliert werden:
-
Fall 1: Alle Knoten erhalten die Randbedingungen P und Q.
-
Fall 2: Die Knoten erhalten alternativ beide Randbedingungen oder nur eine Randbedingung.
-
Fall 3: Der jeweilige Knoten erhält Randbedingung P oder Q.
In der Tabelle sind die möglichen Kontrollen aufgeführt.
|
Fall |
K (P + Q) |
K (P) |
K (Q) |
Summe K |
Summe RB |
|
1 |
a |
--- |
--- |
a |
2 ∙ a |
|
2 |
a |
b |
b |
a + 2 ∙ b |
2 ∙ (a + b) |
|
3 |
--- |
b |
b |
2 ∙ b |
2 ∙ b |
Es müssen also zwischen n und 2 ∙ n Bezugsknoten definiert werden, um die 2 ∙ n Randbedingungen zu erfüllen.
Beispiel
Anhand des Beispiels wird deutlich, dass die Erfüllung von 8 Randbedingungen mindestens 4 und maximal 8 Bezugsknoten erfordert.
|
Fall |
K (P + Q) |
K (P) |
K (Q) |
Summe K |
Summe RB |
|
1 |
4 |
--- |
--- |
4 |
8 |
|
1 |
3 |
1 |
1 |
5 |
8 |
|
2 |
2 |
2 |
2 |
6 |
8 |
|
2 |
1 |
3 |
3 |
7 |
8 |
|
3 |
--- |
4 |
4 |
8 |
8 |
Fixe Kontrollraumgrenzen
Folgende Netzelemente begrenzen automatisch den Kontrollraum, können also als fixe Kontrollraumgrenzen eingesetzt werden:
|
● |
|
Gegenbehälter können als Randbedingung für das Gesamtnetz genutzt werden. |
|
● |
|
Über Durchlaufbehälter wird das Netz in Teilnetze untergliedert. |
|
● |
|
Druckregler - keine Durchflussregler - untergliedern ebenfalls in Teilnetze. |
Weiterhin gilt:
-
Wenn mindestens eines der genannten Netzelemente den Kontrollraum abschließt, sind keine Bezugsknoten erforderlich.
-
Falls über Durchlaufbehälter und / oder Regler in Teilnetze untergliedert wird, muss mindestens ein Gegenbehälter als Randbedingung des Gesamtnetzes definiert sein. Sinnvollerweise sollte dieser Gegenbehälter die Versorgung des Gesamtnetzes simulieren.
Behälter
|
|
Zugehöriges Symbol |
Während STANET hydraulisch zwischen Gegenbehälter und Durchlaufbehälter unterscheidet, kennt EPANET nur Gegenbehälter. Für die Modellierung in AquaFIN gilt daher folgende Zuordnungstabelle:
|
|
STANET |
EPANET |
|||
|
|
Gegenbehälter |
|||
|
|
Nicht erlaubt |
Gegenbehälter
|
|
Zugehöriges Symbol |
Gegenbehälter können anstelle von Bezugsknoten zur Erfüllung der Randbedingungen Druckknoten und Flussknoten eingesetzt werden. Ein Gegenbehälter entspricht nämlich hydraulisch einer Druckvorgabe:
-
P = Füllhöhe [m] + geodätische Höhe des Behälterbodens.
Rechenkern
Gegenbehälter werden als Knoten modelliert und benötigen daher keinen Stützknoten.
Durchlaufbehälter
|
|
Zugehöriges Symbol |
Ein Durchlaufbehälter bewirkt die hydraulische Trennung in ein Teilnetz auf der Zulauf- und ein Teilnetz auf der Ablaufseite des Behälters:
-
Auf der Zulaufseite wird die Überlaufhöhe [m] unabhängig von der Füllhöhe [m] des Behälters für die hydraulische Berechnung genutzt. Dies betrifft beispielsweise die manometrische Förderhöhe einer Pumpe.
-
Für die Ablaufseite ist die Füllhöhe als hydraulische Randbedingung des Rechenkerns festgelegt.
-
Ein geodätisch oberhalb des Überlaufs gelegener Zulauf sollte konstruktiv unter die Überlaufhöhe abgesenkt werden, um die Betriebskosten der Pumpen zu minimieren. In manchen Fällen, beispielsweise bei Zufluss aus einem Gegenbehälter, kann die Beibehaltung des höher gelegenen Zulaufs sinnvoll sein. Dann muss entweder der Stützknoten die geodätische Höhe des Zulaufs erhalten oder alternativ die Überlaufhöhe auf den Zulaufwert angehoben werden.
Rechenkern
Durchlaufbehälter werden als System virtuelle Leitung --- Knoten --- virtuelle Leitung modelliert. Daher ist jedem Durchlaufbehälter zwingend ein Stützknoten zuzuweisen.
Offen (durchströmt)
Behälter lassen sich nicht schließen! Hierfür sind entsprechende Armaturen vorzusehen. Der Status offen (durchströmt) ist hydraulisch irrelevant.
Grundfläche
|
|
Datenpriorität gemäß Tooltipp |
Für einen Behälter ist die Grundfläche nur dann vorzugeben, wenn eine dynamische Berechnung durchgeführt werden soll. Dazu muss STANET oder EPANET nach der Berechnung mit BaSYS AquaFIN unabhängig gestartet werden.
Füllhöhe
|
|
Datenpriorität gemäß Tooltipp |
Über den Eingabewert wird die Entleerung des Behälters simuliert:
-
Für Gegenbehälter wird der Wert immer genutzt.
-
Hinsichtlich von Durchlaufbehältern ist der Wert für die Ablaufseite relevant.
Die Füllhöhe ist für die stationäre hydraulische Berechnung sowohl der Gegenbehälter als auch der Durchlaufbehälter hydraulisch relevant.
Überlaufhöhe
|
|
Datenpriorität gemäß Tooltipp |
Über den Eingabewert wird die Beschickung des Behälters simuliert:
-
Für Gegenbehälter wird der Wert immer genutzt.
-
Hinsichtlich von Durchlaufbehältern ist der Wert für die Zulaufseite relevant.
Füllhöhe bei Tag
|
|
Datenpriorität gemäß Tooltipp |
Die Füllhöhe bei Tag ist vorzugeben, sobald eine dynamische Berechnung durchgeführt werden soll. Dazu muss STANET oder EPANET nach der Berechnung mit BaSYS AquaFIN unabhängig gestartet werden.
Pumpe
|
|
Zugehöriges Symbol |
Jeder Pumpe ist eine Pumpenkennlinie zuzuweisen. Siehe auch unter Bibliothek sowie unter STANET.
Rechenkern
Pumpen werden im Rechenkern als System virtuelle Leitung --- Knoten --- virtuelle Leitung modelliert. Daher ist jeder Pumpe zwingend ein Stützknoten zuzuweisen.
Kennlinie
|
|
Datenpriorität gemäß Tooltipp |
In der Bibliothek können beliebig viele Pumpenkennlinien definiert und verwaltet werden. Die Pumpenkennlinien sind für die hydraulische Berechnung des Wasserversorgungsnetzes unbedingt erforderlich, sobald das System Pumpen beinhaltet.
Modellierungshinweise
Folgende Modellierungshinweise sind zu beachten:
-
Jede Pumpenkennlinie muss über mindestens zwei Datensätze definiert sein.
-
Bei jeder Pumpenkennlinie ist unbedingt darauf zu achten, dass der Hochpunkt an der Stelle Q = 0 l/s liegt. Ansonsten würde eine Pumpe mit der entsprechenden Pumpenkennlinie über zwei Betriebspunkte verfügen. Damit wäre die Gefahr von Druckstößen mit Zerstörung von Pumpe und / oder Netzelementen verbunden.
-
Die Pumpenkennlinien sollten nach der ersten Netzberechnung in STANET beziehungsweise EPANET überprüft werden. Zwei Betriebspunkte werden in STANET über einen negativen Wert von R Laminar identifiziert. In einem solchen Fall ist die Pumpenkennlinie so lange anzupassen, bis sich ein positiver Wert ergibt. Meist muss im Schnittpunkt der Pumpenkennlinie mit der Ordinate das Gefälle der Tangente vergrößert werden.
Absperrarmatur
|
|
Zugehöriges Symbol |
Das hydraulische Verhalten einer Absperrarmatur hängt maßgebend mit dem gewählten Haupttyp zusammen.
Ohne Angabe, Schieber, Hahn, Klappe
|
|
Zugehöriges Symbol |
Geöffnete Schieber, Hähne und Klappen trennen die Leitung nicht auf. Nur die geschlossene Armatur ändert die hydraulische Eigenschaft des jeweiligen Knotens:
-
Die Leitung wird am Knoten für den Export in den Berechnungskern aufgetrennt.
-
Bei Strangentnahme ändern sich die Randbedingungen der Aufsummierung.
Ventil
|
|
Zugehöriges Symbol |
Ventile trennen die Leitung immer auf:
-
Die für ein Ventil relevanten Eingabewerte müssen definiert sein.
-
Unabhängig davon ändern sich bei Strangentnahme die Randbedingungen der Aufsummierung, sobald ein Ventil geschlossen ist.
Anbohrarmatur
|
|
Zugehöriges Symbol |
Geöffnete Anbohrarmaturen trennen die Leitung nicht auf. Nur die geschlossene Armatur ändert die hydraulische Eigenschaft des jeweiligen Knotens:
-
Die Leitung wird am Knoten für den Export in den Berechnungskern aufgetrennt.
-
Bei Strangentnahme ändern sich die Randbedingungen der Aufsummierung.
Ventil
|
|
Zugehöriges Symbol |
Folgende Armaturen können technisch als Ventil realisiert werden:
|
● |
|
Absperrarmatur. |
|
● |
|
Rückflussverhinderer. |
|
● |
|
Reglerarmatur. |
|
● |
|
Ventil. |
|
● |
|
Anbohrarmatur. |
Die Definition erfolgt über die Auswahlliste Haupttyp.
Nennweite 2
|
|
Datenpriorität gemäß Tooltipp |
Die Nennweite des Ventils hat erheblichen Einfluss auf die Berechnung der Durchströmungsverluste. Der Einzelverlust steigt analog zur Reduzierung von Nennweite 2 exponentiell an:
-
Für konstruktiv als Ventil vorgesehene Armaturen ist zwingend Nennweite 2 anzugeben.
-
Für Absperrarmaturen und Rückflussverhinderer ohne Ventil ist die Eingabe der Nennweite nicht erforderlich.
Rechenkern
Ventile werden im Rechenkern als System virtuelle Leitung --- Knoten --- virtuelle Leitung modelliert. Daher ist jedem Ventil zwingend ein Stützknoten zuzuweisen.
Rückflussverhinderer
|
|
Zugehöriges Symbol |
Rückflussverhinderer können in Fließrichtung nicht geschlossen werden. Der Status offen (durchströmt) ist daher für diesen Armaturtyp hydraulisch irrelevant.
Reglerarmatur
|
|
Zugehöriges Symbol |
In diesem Abschnitt werden die wichtigsten Besonderheiten der Regelarmaturen beschrieben. Falls kein separates Teilnetz beschickt werden soll, können anstelle von Reglerarmaturen Pumpen mit sinnvoll gewählter Kennlinie eingesetzt werden.
Rechenkern
Reglerarmaturen werden im Rechenkern als System virtuelle Leitung --- Knoten --- virtuelle Leitung modelliert. Daher ist jeder Reglerarmatur zwingend ein Stützknoten zuzuweisen.
Nennweite 2
Für Regler ist die Eingabe der Nennweite zwingend erforderlich, da der Armaturtyp immer ein Ventil ist.
Art der Regelung
Je nachdem, ob in das Feld Sollwert Nachdruck [m] oder Sollwert Durchfluss [l/s] ein Wert eingegeben wird, arbeitet der Regler als Druck- oder Durchflussregler.
Druckregler
Druckregler schützen das durch ihn vorsorgte Teilnetz vor einer Überschreitung des maximalen Versorgungsdrucks. Bei der Planung ist konsequent darauf zu achten, dass das Teilnetz nicht über eine oder mehrere Schnittstellen mit dem Gesamtnetz kurzgeschlossen ist.
Nachdruck Sollwert (Sollwert Nachdruck)
|
|
Datenpriorität gemäß Tooltipp |
Bei Druckregelung ist die Eingabe eines sinnvollen Wertes erforderlich. Die gleichzeitige Eingabe von Sollwert Durchfluss und Sollwert Nachdruck ist nicht erlaubt.
Verwendung als Bezugsknoten
Druckregler können anstelle von Bezugsknoten zur Erfüllung der Randbedingungen Druckknoten und Flussknoten eingesetzt werden, Durchflussregler nicht.
Sollwertüberschreitung
Druckregler werden automatisch geschlossen, sobald der Druck auf der Ablaufseite den Solldruck überschreitet. Der Druck auf der Zulaufseite hat hierauf keinerlei Einfluss. Er kann sogar höher sein – trotzdem wird der Druckregler nicht geöffnet.
Durchflussregler
Durchflussregler sollen einen Mindestdurchfluss in das durch ihn versorgte Teilnetz aufrecht erhalten. Auch hier sind Kurzschlüsse mit dem Gesamtnetz planerisch zu unterbinden.
Durchfluss Sollwert (Sollwert Durchfluss)
|
|
Datenpriorität gemäß Tooltipp |
Bei Durchflussregelung ist die Eingabe eines sinnvollen Wertes erforderlich. Die gleichzeitige Eingabe von Sollwert Durchfluss und Sollwert Nachdruck ist nicht erlaubt.
Leersaugen
Durchflussregler sollten nur äußerst vorsichtig eingesetzt werden. Es besteht die Gefahr, dass das Netz durch einen falsch eingestellten einzuhaltenden Durchfluss leer gesaugt wird. Dies kann bis zu Unterdrücken im Wasserversorgungsnetz führen.
In Kombination
Hinsichtlich der Kombination mehrerer Regelarmaturen gelten folgende Grundsätze:
-
Die Parallelschaltung von Regelarmaturen wird unterstützt.
-
Die direkte Reihenschaltung von Regelarmaturen ist nicht erlaubt.
-
Die indirekte Reihenschaltung von Regelarmaturen ist möglich: Zwischen zwei Regler muss mindestens ein anderer Knoten angeordnet werden.
Hydrant
|
|
Zugehöriges Symbol |
Hydranten entsprechen Anschlussleitungen mit hoher Wasserentnahme:
-
Hydranten werden ohne Auftrennung der übergeordneten Leitung in den Rechenkern exportiert.
-
Hydranten eignen sich nicht zum Absperren von Leitungen. Daher ist der Status offen (durchströmt) hydraulisch irrelevant.
STANET
|
|
Zugehöriges Symbol |
In STANET ist die Serienberechnung aller Löschwasserfälle möglich.
-
Diese Stapelverarbeitung der Löschwassermengen ist an den Armaturtyp Hydrant gebunden.
-
Die Ergebnisse können nicht nach BaSYS AquaFIN importiert werden.
-
Falls die Serienberechnung der Löschwasserfälle nicht genutzt wird, können Hydranten auch über andere sinnvolle Armaturen modelliert werden. Wichtig ist dann ausschließlich der Ansatz einer plausiblen Löschwassermenge.
EPANET
|
|
Zugehöriges Symbol |
Die Serienberechnung aller Löschwasserfälle ist in EPANET nicht vorgesehen. Daher können Hydranten auch über andere sinnvolle Armaturen modelliert werden. Wichtig ist ausschließlich der Ansatz einer plausiblen Löschwassermenge.
Anlagen
|
|
Zugehöriges Symbol |
Anlagen (z.B. eine Druckerhöhungsstation) haben keine hydraulische Funktion. Bei der Planung des Netzes ist darauf zu achten, dass diese Netzelemente nicht in das Kanten-Knoten-Modell eingebunden werden. Vielmehr sind sie in hydraulisch berechenbare Armaturen zu detaillieren / modellieren. Andernfalls kommt es zu einer fehlerhaften hydraulischen Berechnung.
Kontrolle der Leitungsdaten
|
|
Zugehöriges Symbol |
In diesem Abschnitt geht es um folgende Themen:
|
● |
|
|
|
● |
|
|
|
● |
|
|
|
● |
|
|
|
● |
|
Übersicht der relevanten Leitungsfelder
|
|
Zugehöriges Symbol |
Von der Übersicht der relevanten Leitungsfelder führen Verknüpfungen zu wertvollen Details für die Berechnung mit BaSYS AquaFIN:
-
Von der Spalte Parameter zu den relevanten Abschnitten dieser Hilfe.
-
Von den Symbolen der Spalten Ort zur Datenbeschreibung in der BaSYS AquaDATA-Hilfe.
-
Die Symbole sind mit Tooltipps versehen.
Übersicht:
|
Formularfeld |
|||||||
|
a..z |
Parameter |
Einheit |
1 |
2 |
3 |
1 |
2 |
|
- |
|
|
|
||||
|
- |
|
|
|
||||
|
|
Belastungsfaktor |
- |
|
|
|
|
|
|
|
|
|
|
|
|
||
|
Druckdifferenz |
|
|
|
|
|
||
|
|
Durchfluss |
|
|
|
|
|
|
|
- |
|
|
|
||||
|
|
Energiegefälle |
|
|
|
|
|
|
|
m |
|
|
|
||||
|
|
Geschwindigkeit |
|
|
|
|
|
|
|
mm |
|
|
|||||
|
|
|
|
|
|
|||
|
Material |
|
|
|
|
|||
|
|
l/(s∙m) |
|
|
|
|
||
|
mm |
|
|
|
||||
|
OK Gelände |
m NN |
|
|
|
|
||
|
|
OK Rohr |
m NN |
|
|
|
|
|
|
Projizierte Länge |
m |
|
|
|
|
||
|
- |
|
|
|
||||
|
- |
|
|
|
|
|||
|
a..z |
Parameter |
Einheit |
1 |
2 |
3 |
1 |
2 |
|
Formularfeld |
|||||||
Ort in der Benutzeroberfläche
|
|
Zugehöriges Symbol |
Ort in der Benutzeroberfläche zur Dateneingabe und/oder Kontrolle. Die Verknüpfungen führen zur BaSYS AquaDATA-Hilfe.
|
|
Beschreibung |
|
|
Die Daten können aus der Rohrbibliothek übernommen werden. |
|
|
Formularkopf des Leitungsformulars. |
|
|
Reiter Grunddaten des Leitungsformulars. |
|
|
Reiter Hydraulik des Leitungsformulars. |
|
|
Formular Voreinstellungen. |
|
|
Formular Leitungshydraulik. |
Allgemeine Parameter
|
|
Zugehöriges Symbol |
Bezeichnung - Leitung - Voreinstellung
|
|
Datenpriorität gemäß Tooltipp |
Jede Leitung muss eine eindeutige möglichst intuitive Bezeichnung besitzen; eine Grundvoraussetzung für die Verwaltung in der Datenbank. Die Felder der Leitungshydraulik werden automatisch aus den Stammdaten erstellt. Dabei erhalten sie über die Auswahlliste Leitung eine Verknüpfung mit der Stammdatenleitung sowie über eine weitere Auswahlliste eine Verknüpfung mit der aktiven Voreinstellung.
Im Formular Leitungshydraulik können bei Bedarf andere Leitungen und Voreinstellungen gewählt werden. Zur Vermeidung unnötiger Fehler wird aber empfohlen, die automatischen Zuweisungen von Leitung und Voreinstellung beizubehalten.
Anfangsknoten - Endknoten
|
|
Datenpriorität gemäß Tooltipp |
Die Anfangs- und Endknoten können im Formular Leitung über die Auswahlliste editiert werden.
Geometrische Länge
|
|
Datenpriorität gemäß Tooltipp |
Die geometrische Länge wird ebenfalls im Formular Leitung eingegeben. Wichtiger Hinweis: Die projizierte Länge wird nicht in den Berechnungskern exportiert. Darauf ist bei der Eingabe der jeweiligen Länge entsprechend zu achten. Eventuell sind fehlende geometrische Längen per Abgleich oder Geometrie-Tool zu ergänzen.
Randbedingungen
|
|
Zugehöriges Symbol |
Sobald für lokale Entnahmen keine verlässlichen Werte existieren, steht alternativ oder ergänzend die Randbedingung der Linienentnahme zur Verfügung. Diese sogenannte Strangentnahme wird vor allem für die Planung eines Wasserversorgungsnetzes genutzt. Die Randbedingungen der Knoten und Leitungen können dabei beliebig gemischt werden:
-
Alleinige Definition von Knoten- oder Strangentnahmen für das gesamte Wasserversorgungsnetz.
-
Definition von Knoten- oder Strangentnahmen für separate Bereiche des Wasserversorgungsnetzes, beispielsweise getrennt nach Bestand und Planung.
-
Überlagerung von Knoten- und Strangentnahmen. Das heißt, dass für jeden Anschluss die bekannten Verbräuche über die Knotenentnahme und die ausschließlich schätzbaren Verbräuche über die Strangentnahme berechnet werden können.
Die Randbedingungen lassen sich intuitiv am einführenden Beispiel nachvollziehen.
Metermengenwert
|
|
Datenpriorität gemäß Tooltipp |
Der in der jeweiligen hydraulischen Voreinstellung gewählte Metermengenwert wird allen Leitungen des Wasserversorgungsnetzes zugeordnet. Der Metermengenwert entspricht dem spezifischen Wasserverbrauch in Liter pro Sekunde je Meter Leitungslänge und besitzt damit die Einheit l/(s·m).
Bebauungsfaktor
|
|
Datenpriorität gemäß Tooltipp |
Der Bebauungsfaktor passt den Metermengenwert an die unterschiedlichen längenspezifischen Verbräuche im Versorgungsgebiet an. Der Bebauungsfaktor wird im Formular Leitung editiert.
Falls der Metermengenwert in der aktuellen hydraulischen Voreinstellung auf 1,00 gesetzt ist, kann der Bebauungsfaktor direkt als Metermengenwert genutzt werden.
Belastungsfaktor
|
|
Datenpriorität gemäß Tooltipp |
Der Belastungsfaktor wird ebenfalls in der hydraulischen Voreinstellung eingegeben. Der Faktor wird nicht gespeichert. Nach Aktivierung eines beliebigen Belastungsfaktors werden folgende Werte mit dem Belastungsfaktor multipliziert:
-
Alle Bebauungsfaktoren im Formular Leitung
-
Felder Zufuhr und Entnahme (lokal) im Formular Knotenhydraulik
Strangentnahme
|
|
Zugehöriges Symbol |
Die Strangentnahme besitzt wie der Metermengenwert die Einheit l/(s·m). AquaFIN berechnet die Werte der Strangentnahme nach folgender Formel:
-
Strangentnahme [l/(s·m)] = Metermengenwert [l/(s·m)] · Bebauungsfaktor [-] · Belastungsfaktor [-]
Durch Multiplikation der jeweiligen Strangentnahme mit der jeweiligen Leitungslänge berechnet AquaFIN die Knotenentnahmen. Dabei sind zwei Besonderheiten zu beachten:
Knotenentnahme
Zur Berechnung der Knotenentnahmen verteilt AquaFIN die Strangentnahme hälftig auf den Anfangsknoten und Endknoten der jeweiligen Leitung:
-
Knotenentnahme [l/s] = Strangentnahme [l/(s·m)] · Leitungslänge [m] / 2
Strangentnahme an Schiebern
|
|
Zugehöriges Symbol |
Schieber sitzen auf der jeweiligen Leitung, ohne diese zu trennen. Während ein geöffneter Schieber keinen Einfluss auf die Berechnung der Knotenentnahmen besitzt, muss der Einfluss eines geschlossenen Schiebers für die Übertragung der Daten an den Berechnungskern berücksichtigt werden:
-
Bei geschlossenem Schieber wird die gesamte Strangentnahme einer Knotenseite dem dort befindlichen Knoten zugeschlagen.
Strangentnahme an Anbohrarmaturen
|
|
Zugehöriges Symbol |
Anbohrarmaturen sitzen auf der jeweiligen Leitung, ohne diese zu trennen. Bei Berechnung der Knotenentnahme aus der Strangentnahme modelliert BaSYS AquaFIN automatisch eine Leitungsauftrennung durch die jeweilige Anbohrarmatur.
-
Die Knotenentnahme wird also anhand der weiter oben genannten Formel berechnet.
Rohrattribute
|
|
Zugehöriges Symbol |
Alle berechnungsrelevanten Rohrattribute der jeweiligen Leitung können über das Feld Rohr der Leitungsgrunddaten direkt aus der Rohrbibliothek übernommen werden:
-
Dadurch können die Rohrattribute sehr schnell und fehlerfrei vergeben werden.
-
Änderungen innerhalb der Rohrbibliothek werden sofort in alle referenzierenden Leitungen übernommen.
Rohr
|
|
Datenpriorität gemäß Tooltipp |
In der Rohrbibliothek können beliebig viele Rohre verwaltet werden:
-
Dadurch ist ein übersichtlicher Katalog aller im Leitungsnetz des Projektgebietes vorhandenen Rohre erstellbar.
-
Je Projekt- und / oder Gemeindevariante kann eine andere Rohrbibliothek genutzt werden.
Berechnungsrelevante Attribute
Folgende für AquaFIN relevante Attribute sind über die Rohrbibliothek spezifizierbar:
-
Nennweite [mm]
-
Integrale Rauheit [mm]
Weitere Attribute
Die weiteren Attribute sind für die Berechnung mit AquaFIN nicht relevant, geben aber zum Beispiel Hinweise auf die anzusetzende integrale Rauheit:
-
Nennweiten-Text
-
Nenndruck [bar]
-
Material
-
Wanddicke [mm]
-
Innendurchmesser [mm]
-
Außendurchmesser [mm]
Nennweite
|
|
Datenpriorität gemäß Tooltipp |
Die Angabe der Nennweite ist bei angestrebter hydraulischer Berechnung für jede Leitung zwingend erforderlich. Zur Festlegung der Nennweite stehen im Leitungsformular zwei Alternativen zur Verfügung:
-
explizite Eingabe im Feld Nennweite.
-
indirekte Eingabe über die Auswahlliste Rohr. Die Nennweite wird dann automatisch über die Rohrbibliothek aktualisiert.
Integrale Rauheit
|
|
Datenpriorität gemäß Tooltipp |
Die Angabe der integralen Rauheit ist bei angestrebter hydraulischer Berechnung für jede Leitung zwingend erforderlich. Zur Festlegung der integralen Rauheit stehen im Leitungsformular zwei Alternativen zur Verfügung:
-
explizite Eingabe im Feld Integrale Rauheit.
-
indirekte Eingabe über die Auswahlliste Rohr. Die integrale Rauheit wird dann automatisch über die Rohrbibliothek aktualisiert.
Definition
Die integrale Rauheit beschreibt die Summe aus den Reibungsverlusten der Rohre und aus den nicht explizit berücksichtigten Einzelverlusten der Formteile und Armaturen.
Richtwerte
Folgende Richtwerte gelten für die integrale Rauheit:
|
● |
0,1 mm |
Fernleitungen und Zubringerleitungen mit gestreckter Leitungsführung. |
|
● |
0,4 mm |
Hauptleitungen mit weitgehend gestreckter Leitungsführung. |
|
● |
1,0 mm |
Neue Versorgungsnetze. Durch den hohen Wert der integralen Rauheit wird der Einfluss der ausgeprägteren Vermaschung berücksichtigt. |
Hinweise zur Netzanpassung
|
|
Zugehöriges Symbol |
Nachträgliche Anpassungen des Wasserversorgungsnetzes werden nicht automatisch in der hydraulischen Voreinstellung berücksichtigt:
-
Setzen von Knoten (auch Leitungszwischenpunkte!)
-
Auftrennung von Leitungen
-
Planung neuer Leitungen
In den genannten Fällen ist die hydraulische Voreinstellung zu reaktivieren:
-
Eine Leitung von der rechten Liste der zu berechnenden Leitungen in die linke Liste verschieben.
-
Die hydraulische Voreinstellung speichern.
-
Die Leitung wieder in die rechte Liste verschieben.
-
Die hydraulische Voreinstellung erneut speichern.
Belastungsfaktor
Das Formular zur Eingabe des Belastungsfaktors wird über das zugehörige Icon der Menüleiste aufgerufen:
Aktivierung
Der Belastungsfaktor ist einzugeben. Die Aktivierung erfolgt per OK.
Funktionalität
Für alle Objekte der gewählten hydraulischen Voreinstellungen werden folgende Werte mit dem Belastungsfaktor multipliziert:
-
Knoten-Entnahmen
-
Knoten-Einspeisungen
-
Bebauungsfaktoren
Wichtiger Hinweis
Die neu berechneten Werte werden sofort in der Datenbank gespeichert. Um beispielsweise die Änderungen rückgängig zu machen, die über den Belastungsfaktor 2 erfolgt sind, muss danach der Belastungsfaktor 0,5 eingegeben werden.
Durchführung der Berechnung
|
|
|
Zugehörige Symbole |
|
Die Symbole zur Durchführung der Berechnung sind von folgenden Elementen der Benutzeroberfläche erreichbar:
-
Menü Extras der Menüleiste
-
Formular Voreinstellungen
Per Klick auf das gewünschte Symbol wird ein Assistent zur Vorbereitung der zugehörigen Berechnung gestartet.
Umgebungsparameter
Auf dieser Seite des Assistenten werden alle relevanten Optionen gesetzt:
-
Hydraulische Voreinstellung, mit der gerechnet werden soll, per Auswahlliste.
-
Das Arbeitsverzeichnis kann manuell oder per Explorer festgelegt werden. Der Assistent merkt sich das Arbeitsverzeichnis für die weiteren Aufrufe.
Wichtig: Mit jeder neuen Berechnung werden die Protokolldateien der vorhergehenden Berechnung gelöscht! Um die Berechnung später mit STANET / EPANET nachzuvollziehen, ist das Verzeichnis vor Durchführung der nächsten AquaFIN Berechnung zu sichern. -
Über die Option Unterverzeichnis anlegen wird je aktueller Voreinstellung ein Unterordner des Arbeitsverzeichnisses erstellt. Der Unterordner erhält automatisch die Bezeichnung der Voreinstellung. Die STANET / EPANET Projekte werden dann also je Voreinstellung separat verwaltet.
-
Über die Option nur geschlossene Schieber exportieren kann verhindert werden, dass bei Nutzung einer STANET-Lizenz die maximale Knotenzahl durch unnötig exportierte Schieber überschritten wird.
Wichtig: Bei nicht gesetzter Option ist die Modellierung wirklichkeitsnaher: Die z-Werte sind an die Schieber gekoppelt. Bei gesetzter Option arbeitet die Berechnungsschnittstelle mit einem Ersatzmodell: Der z-Wert wird hälftig auf Ende Zulaufleitung / Anfang Ablaufleitung verteilt. -
Die Option Rauigkeit für automatisch generierte Leitungen ist für die EPANET-Schnittstelle erforderlich, wo die Rauigkeit einen positiven Wert besitzen muss. Für STANET ist standardmäßig ein Wert von 0,0 mm, für EPANET von 0,0001 mm eingetragen. Bei den automatisch generierten Leitungen handelt es sich um virtuelle Objekte für Armaturen, die in BaSYS als Knoten, in STANET / EPANET als Kanten modelliert werden.
-
Die Option Verlustbeiwert Rückschlagklappe ist ebenfalls für die EPANET-Schnittstelle implementiert. Rückschlagklappen werden in der dynamischen Simulation über den Verlustbeiwert modelliert. Für die stationäre Simulation, also die implementierte Schnittstelle, können damit die Berechnungsergebnisse kalibriert werden. In Testläufen haben sich Werte zwischen 0,0 und 0,2 als optimal herausgestellt. Im Assistenten ist bei Auslieferung der Wert 0,2 eingetragen.
Abschluss des Assistenten
Zunächst folgt die Seite Zusammenfassung
und Start. Diese Seite des Assistenten ermöglicht eine letztmalige
Prüfung der Einstellungen. Nach Klick auf
Nach Anstoß des Algorithmus wird die Seite Durchführung und Protokoll aufgerufen. Dort werden alle wichtigen Aktionen des Assistenten automatisch mit protokolliert. Das zugehörige Verlaufsprotokoll kann exportiert werden.
Benutzeroberfläche
|
|
Zugehöriges Symbol |
Bei entsprechender Freischaltung stimmt die Benutzeroberfläche von BaSYS AquaFIN mit der von BaSYS AquaDATA überein. In diesem Abschnitt sind daher ausschließlich die für BaSYS AquaFIN relevanten Abschnitte der Benutzeroberfläche von BaSYS AquaDATA grob schematisch dargestellt. Die Verknüpfungen führen in die Hilfe für BaSYS AquaDATA weiter.
|
|
BaSYS AquaFIN |
Kopfleiste. |
|||||||||||
|
|
|
Menüleiste. |
|||||||||||
|
|
|
Start der Berechnung und Werkzeugleiste gemäß separater Hilfe. |
|||||||||||
|
|
Navigation |
Navigationsbereich gemäß separater Hilfe. |
|||||||||||
|
|
|
Verwaltung der Stamm- und Hydraulikdaten. |
|||||||||||
|
|
|
Individuelle Bibliotheken zu den Hydraulikdaten. |
|
Impressum der Dokumentation |
|
Stand: |
24.06.2016 |
Verantwortlich: |
Jörg Martin |
|
Copyright: |
Barthauer Software GmbH |
Erreichbarkeit: |
Homepage: www.barthauer.de |








